
参考标准:
注: 关于产品购买、技术维护等服务,欢迎致电! 联系我们
我国电力系统实行两部制电价:除了收取计量装置所计量的费用外,还要根据变压器容量收取基本电费;对于较大用户在投运变压器时还要一次性交纳增容费。随着电力行业的发展,用电量的增大,自有变压器和个人承包变压器已渐渐占据了配变中相当的份额,随之而来的就是个人为了达到少交费、多用电的目的而采取的各种弄虚作假的手段(主要是改、换变压器铭牌);有些用户年偷电费额达数十万之多,电力部门苦于没有有效的控制手段。
有源变压器特性-容量综合测试仪是我公司针对这种问题专门开发、研制的专门用于变压器容量、损耗参数测量的高精度仪器。它自带高效能充电电池,不用外接电源即可工作,充电一次可连续测量500台次;同时,内部数字合成三相标准正弦波信号(绝非简单的逆变交流输出,保证了非额定条件下各测试项目测试数据的准确性),经功率放大器可提供三相精密交流测试源;在测量变压器容量和变压器的短路损耗时不需要外接三相测试电源及调压器、升流等辅助设备,简化了接线,大大提高了工作效率。
容量测试结果准确率达100%。它一种设备相当于五种设备:有源变压器容量测试仪+变压器损耗参数测试仪+零序阻抗测试仪+谐波分析仪+示波器。它可对各种变压器的容量、空载电流、空载损耗、短路损耗、阻抗电压、零序阻抗等一系列工频参数进行精密的测量,并能测量空负载试验时的电压、电流失真度和谐波含量,还可以进行矢量分析。
该仪器具有体积小、重量轻、测量准确度高、稳定性好、操作简便易学等优点,完全可取代以往利用多表法测量变压器损耗和容量的方法,接线简单,测试、记录方便,大大提高了工作效率。它以大屏幕彩色液晶作为显示窗口,菜单操作并配有汉字提示,集多参量于一屏的显示界面,人机对话界面友好,使用简便、快捷,是各级电力用户的首选产品。
1、可精确测量各种配电变压器的容量,无源测量,方便、准确。
2、内部自带电源、自动产生三相大功率测试电源。
3、可测量各种类型的变压器的空载电流、空载损耗、短路电压、短路损耗。
4、通过空载试验可准确判定被测变压器的型号,包括:油浸式S7、S9、S11、S13、S15、S20、S21、S22、S25;干变SCB9、SCB10、SCB11、SCB12、SCB13、SCB14、SCB15、SCB17、SCB18、SCB19等各种类型的变压器。
5、可自动进行波形畸变校正,温度校正(提供简单的温度校正和附加损耗分别校正两种方式),电压校正(非额定电压下的空载试验),电流校正(非额定电流条件下的短路试验),非常适合没有做稍大容量变压器短路试验条件的单位。
6、可测量电压和电流的2-32次谐波含量和总谐波失真度。
7、可进行简单的矢量分析,绘制矢量图。
8、显示各电参量的波形图,做为示波器使用。
9、电压回路宽量限:电压最大可测量到750V,不用切换档位即可保证精度。不会因电压档位选错而对仪器本身有所损坏。
10、电流量程分高低档,最大可保证100A测量范围,最小可保证毫安级的幅值准确测量,可满足PT的阻抗电压测量。
11、容量测量范围:20kVA~800000kVA(三相变)
5kVA~100000kVA(单相变)
12、电池剩余电量百分数指示功能,绝非简单的亏电报警。
13、大屏幕、高亮度的彩色液晶显示,全汉字菜单及操作提示实现友好的人机对话,导电硅胶触摸按键使操作更简便,按键寿命更长。
14、用户可随时将测试的数据通过微型打印机将结果打印出来。
15、测试结果存储功能,可存储200组容量测试数据。
1、 输入特性
有源部分:
电压测量范围:0~10V
电流测量范围:0~10A
无源部分:
电压测量范围:0~750V 宽量限。
电流测量范围:0~20A~100A内部双量程,自动或手动选档。
2、 准确度
电压:±0.2%
电流:±0.2%
功率:±0.2%(CosΦ>0.2),±0.3%(0.02<CosΦ<0.2)
3、 工作温度:-25℃~ +65℃
4、 充电电源:交流160V~260V
5、 绝缘:⑴、电压、电流输入端对机壳的绝缘电阻≥100MΩ。
⑵、工作电源输入端对外壳之间承受工频2kV(有效值),历时1分钟实验。
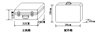
6、 主机体积:32cm×24cm×13cm
7、 重量:3kg
仪器由主机和配件箱两部分组成,其中主机是仪器的核心,所有的电气部分安装在主机内部,其主机外箱采用高强度进口防水注塑机箱,坚固耐用,配件箱用来放置测试导线及配套工具。
结构尺寸(图1)
图1、主机与配件箱尺寸
面板布置图(图2)
图2、面板布置图
如图2所示,最上方从左到右依次为特性测试用输入端子:A相测试电源输入端子(黄色)、B相测试电源输入端子(绿色)、C相测试电源输入端子(红色)、A相电流输出端子Ia-、B相电流输出端子负极Ib-、C相电流输出端子Ic-、电压测量端子Ua、Ub、Uc、)、充电电源插座及开关、接地端子、容量测试用接线端子和打印机。面板左下方为彩色液晶显示屏;液晶右侧为键盘。
键盘共有30个键,分别为:F1~F5,数字0~9、小数点、↑、↓、←、→、
、#、
、存储、查询、退出、设置、切换、自检、帮助。
数字键:0~9,在输入参数时做为相应的数字使用。
小数点:在输入参数时做为小数点使用。
↑、↓、←、→键:上下左右键
Ø 在主界面中用来移动光标,使其指向需要进行的项目功能条(功能条反色显示)。
Ø 上下键在容量测试屏和参数设置屏中用来移动光标,使其指向需要要更改的参数(包括:容量设置部分的试品编号、当前温度、阻抗电压、高额定电压、试品类型、分接档位、联结组别、参比容量和特性测试部分的PT变比、CT变比、高额定电压、低额定电压、当前温度、设置日期、设置时间、变压器容量、接线方式等)。
Ø 上下键在记录浏览功能屏中用来翻阅记录。
Ø 左右键在容量测试参数设置功能屏中用来切换可选的项目,如分接档位、联接组别、参比容量,可根据屏幕上方的提示用左右键在这些档位中连续切换,选至需要的数值。
键:确定键,在开机后按下此键进入主菜单。主菜单下按下此键即进入当前指向的功能选项(反色显示的功能条),在输入参数时,作用是开始输入和结束输入并使刚键入的数字有效。
退出键:返回键,按下此键均直接返回到主菜单;如果正在测试过程中、测试结束时按此键则同时返回主界面。
存储键:在容量测试结果下,按存储键可存储当前容量测试结果。
查询键:在主菜单下按下查询键,可查询已存储的容量数据。
设置键:在主菜单下按下设置,可快速进入参数设置屏。
F1~F5键:辅助功能键。F4是打印功能键。
切换、自检、帮助、开关键:现为保留按键,无实际用途。
四、液晶界面
液晶显示界面主要有十一屏,包括主菜单和十个功能界面,下面分别加以详细介绍。
仪器开机即进入主菜单,界面如图3所示:
图3、主菜单界面
主菜单共有十个可选项,分别为:容量测试、参数设置、有源负载、单相空载、三相空载、单相变测试、三相短路、结果查询、电气参数、谐波分析。当光标指向哪一个功能选项时,哪个选项就变为反色显示,可见图四界面中选中项为‘容量测试’功能,按上下左右键可改变光标指向的选项。此时,按‘
’确定键进入选中的功能显示屏。最下端为提示行,显示当前的日期时间、内部电池的电压幅值和剩余电量百分比,从而可以及时掌握仪器的电池电量情况,了解仪器是否要充电避免没有及时充电而在现场无法正常工作的情况。
各功能选项的用途分别为:
Ø 容量测试:用来测量变压器的容量值。
Ø 参数设置:用来对变压器空负载试验的必要的参数进行设置。
Ø 有源负载:用仪器内部电源来进行变压器的短路试验,无需其他辅助设备。
Ø 单相空载:使用单相电源进行三相变压器的空载试验;在现场三相电源一般不容易满足要求,我公司独创了一种单相电源对三相变压器进行空载试验的方法。针对Y/Yn0的配电变压器,只需要单相市电(交流220V)即可进行空载试验。
Ø 三相空载:使用外接的三相电源进行变压器的空载试验。
Ø 单相变测试:外接电源测试单相变压器的空负载、三相变的零序阻抗。
Ø 三相短路:使用外接的三相电源进行变压器的短路试验。
Ø 结果查询:查看已保存的测试结果记录。同时可将仪器内部保存的测试记录上传到后台管理计算机,方便用户进行测试结果的管理。
Ø 电气参数:用来进行各种电参量的测量,包括:波形显示、矢量分析、实时数据。
Ø 谐波分析:用来检测试验电源的谐波含量。
在选中‘容量测试’功能时,进入容量测试参量设置屏。如图4所示:
图4、容量参数设置
容量测试设置屏可见,项目有:试品编号、设置日期、设置时间、当前温度、阻抗电压、高额电压、试品类型、分接档位、联结组别、参比容量、界面风格。显示屏最下一行为开始测试,当手形指针指到此项目时按确定即开始测试。
各项参数的含义和作用如下:
Ø 试品编号:为了区分所测试的变压器,人为的为其编号(共6位数,可为0~9数字或26个英文字母),以便在查阅时不会将几组结果混淆。
Ø 设置日期:用来对日期进行设置,调整当前显示的年、月、日。
Ø 设置时间:用来对时间进行设置,调整当前显示的时、分、秒。
Ø 当前温度:输入当前的被测变压器的本体温度,用于对测试结果做温度校正,因容量判断主要的依据为变压器的短路试验的数据包括阻抗电压和短路损耗,根据我们所测出的实际数据,按要求校正到额定条件时的短路损耗数值,再查表得到被试变压器的实际容量;首先是非额定电流的校正,同时国标要求变压器的短路损耗应在环境温度为75℃(针对油浸式变压器,干变根据不同要求分别为100℃、120℃、145℃)时进行,当前温度的准确直接影响容量的判断结果。
Ø 阻抗电压:当测试非标变压器时,需输入此项参数,才可测出实际容量。
Ø 高额电压:指被试变压器施压侧的额定电压值。用于区别不同电压等级的变压器;相同容量、不同电压等级变压器的短路试验参数值是不同的;要做到准确判断,就必须输入被试变压器的高压侧额定电压。
Ø 试品类型:指变压器的不同类型。包括:国标油浸式配电变压器、国标干式配电变压器(13标准)、国标干式配电变压器(20标准)、单相变压器、非标准变压器五种选项。注意在测试非标类型和干式变压器时,需要输入被测变压器的阻抗电压;注意:当需要进行单相和三相空载试验进行变压器的型式判定时,在此必须将此参数设置正确,否则判定型式会混乱。
Ø 分接档位:指变压器分接开关当前位置;配变通常都有三个分接位置,通常在2分接测量,如果分接位置不在标准档位,而又不愿改变分接位置,必须输入当前的正确位置。
Ø 联结组别:根据变压器的内部接线方式可分为Yyn0、Dyn11和Yzn11三种情况,因不同联结组别的变压器损耗参数是不同的,因此只有明确变压器的联结组别才可准确判断出被测变压器的型式。
Ø 参比容量:当被测变压器容量为500或630时,需输入此项参数;因为这两种容量的变压器的阻抗电压处于交替区,造成容量判定的交叉区,也就是说同一台变压器按照不同的阻抗电压进行测试,有可能出两种结果;因此只有设置了参比容量,才能保证测出的容量准确。
Ø 界面风格:有两种界面颜色搭配风格可选。
所有参数设置好后,按确定键开始测试过程,如图5所示:
图5、容量测试(进行中)
图中将实时的测试数据显示在屏幕上,包括:ABC三相的测试电压、ABC三相的测试电流、ABC三相的测试功率、各相的平均电压和平均电流、各相的总功率。
如果试验人员的接线不正确,仪器会自动提示:测试异常,请检查接线。如图6所示:
图6、容量测试异常,警示界面
测试正常完成,即显示测试结果,如图7所示:
图7、容量测试结果
图7所示为容量测试判别结果,包括:实际的三相测试电压值、三相电流值、三相功率值,当前测试条件下实测的短路损耗(负载损耗)总和数值、判定的变压器参数下国标规定的短路损耗数值、校正到额定试验条件下的短路损耗数值、校正后的短路损耗数值与国标参数下短路损耗值的百分数误差。当前条件下实测阻抗电压数值、判定的国标阻抗电压数值、判定容量、实测容量、判定型式和变压器的实测阻抗;如果在判定容量显示为“No type”说明实测容量值在两相邻容量之间,无法归档;如果判定型式显示为“no”说明变压器的型式也在两种型式之间,无法归档。显示屏最下一行仍为提示行,图六中可见,提示行提示操作人员下一步有三种可选择的操作,可选择保存将测试结果保存到内部存储器中、打印将测试结果通过打印机打印出来,选择取消退出当前的测试界面返回到主界面;当结果中短路损耗超标时仪器会提示“损耗异常”,说明所输入的形式不正确。
参数设置屏如图8所示:
图8、参数设置屏
图中可见最下一行为提示行,提示行提示‘按【确定】输入,【退出】返回主菜单’如图所示,此时上下按键可将手形指针指向其他选项,共九行代表九种参数,包括:电流档位、PT变比、CT变比、高额电压、低额电压、高压直阻、低压直阻、校正指数、当前温度、校正温度、试品类型、设定容量、接线方式,光标指向哪一项,可对哪项进行改变,图八中选中项为PT变比,按确定键能修改PT变比的数值。
各项参数的具体说明如下:
Ø 电流档位:电流量程的选择,20A和100A两档,可手动或自动切换。
Ø PT变比:当被测电压超过本仪器的电压测量范围时,需要外接电压、电流互感器扩展量程进行电压、电流的测试。此时需要根据外接电压互感器的变比值进行此参数的设置。例如:采用10kV/400V时,设置为25。
Ø CT变比:当被测电压或电流超过本仪器的测量范围时,需要外接电压、电流互感器扩展量程进行测试。此时需要根据外接电流互感器的变比值进行此参数的设置。例如:采用50A/5A的电流互感器时,设置为10。
Ø 高额定电压:被测变压器的高压侧额定电压,单位kV;
Ø 低额定电压:被测变压器的低压侧额定电压,单位kV;
Ø 高压直阻:被测变压器的高压侧绕组的直阻值,取3个线电阻平均值;
Ø 低压直阻:被测变压器的低压侧绕组的直阻值,取3个线电阻平均值;
Ø 校正指数:数值决定于铁芯硅钢片种类,热轧的取1.8,冷轧的取1.9~2。
Ø 当前温度:当前温度:输入当前的被测变压器的本体温度;
Ø 校正温度:用于对测试结果做温度校正,国标要求变压器的短路损耗应在温度为75℃(针对油浸式变压器,干变根据不同要求分别为100℃、120℃、145℃)时进行,因此当前温度的准确直接影响容量的判断结果。
Ø 试品类型:指变压器的不同类型。包括:国标油浸式配电变压器(S7-S25)、国标干式配电变压器(13标准SCB9-13)、国标干式配电变压器(20标准SCB12/14/18/15/17/19)、单相变压器、非标准变压器五种选项。注意在测试非标类型和干式变压器时,需要输入被测变压器的阻抗电压。
Ø 设定容量:被测变压器的额定容量值,单位kVA;
Ø 接线方式:指被测变压器的内部接线方式(即联结组别),包括Y/Yn0,D/Yn11,Y/Zn11几种方式;
在选中‘有源负载’功能时,首先进入有源负载试验(短路试验)操作提示屏,如图9所示:
图9、有源负载提示屏
提示告知操作人员接线的要点,夹好高压侧ABC,低压侧短接。操作人员要严格按照提示进行操作。
按确定键开始测试过程,如图10所示:
图10、有源负载测试(进行中)
图中将实时的测试数据显示在屏幕上,包括:ABC三相的测试电压、ABC三相的测试电流、ABC三相的测试功率、各相的平均电压和平均电流、各相的总功率。
如果试验人员的接线不正确,仪器会自动提示:测试异常,请检查接线。如图11所示:
图11、有源负载测试异常,警示界面
测试正常完成,即显示测试结果,如图12所示:
图12、有源负载测试结果
测试完毕后结果显示在液晶屏上,图十二中可见,测试结果包括:三相测试电压值(Ua、Ub、Uc)、三相测试电流值(Ia、Ib、Ic)、三相实测功率值(Pa、Pb、Pc)、校正到额定电流条件下的损耗值Pk、校正到额定电流条件下的阻抗电压值Uk、校正到额定温度条件下(分别校正到75℃、100℃、120℃、145℃)的短路损耗数值Pk75、Pk100、Pk120、Pk145, 校正到额定温度条件下(分别校正到75℃、100℃、120℃、145℃)的阻抗电压数值Uk75、Uk100、Uk120、Uk145,被测变压器的正序电阻和正序电抗。
单相空载显示如图13、图14、图15和图16所示:
图13、单相空载-A相测量
此时,正在测量A相的数据,显示出A相的电压、A相的电流和A相的有功功率数值。待A相数据稳定后,按确定完成A相的测试,开始测量B相的数据,如图14所示:
图14、单相空载-B相测量
此时,正在测量B相的数据,显示出B相的电压、B相的电流和B相的有功功率数值。待B相数据稳定后,按确定完成B相的测试,开始测量C相的数据,如图十四所示:
图15、单相空载-C相测量
此时,正在测量C相的数据,显示出C相的电压、C相的电流和C相的有功功率数值。待C相数据稳定后,按确定完成C相的测试,所有测试完成,显示出测试结果,如图16所示:
图16、单相空载-测量结果
全部测完后的所有数据及判定结果,包括:各单相的试验电压、电流、功率;折算到三相的空载损耗及校正到额定条件的实际损耗、查表查出的标准损耗、实测损耗对国标损耗的百分比误差。如果三相电流严重不平衡,仪器会自动提示“×相测试电流异常”
三相空载显示界面如图17和图18所示:
图17、三相空载实时数据
在图17中可看到实时刷新的各相数据,图18看到测试结果。
图18、三相空载测试结果
三相空载测试过程分两步:a、接好测试线,用调压器慢慢升压,直至达到额定电压值;b、按下确定键,仪器自动将测试结果和判定结果计算出来。其中图17显示的是测试过程中的实时数据,不断在刷新;包括各相实测的电压、电流、功率、三相平均电压、空载电流百分比、空载损耗等。判定结果包含判定形式(变压器的能耗等级),实测空载损耗、校正到额定条件的空载损耗、查表得来的标准损耗、校正损耗对国标损耗的百分比误差、空载电流百分比、校正到额定条件的空载电流百分比数值、国标规定的空载电流百分比数值、实测空载电流百分比对国标空载电流百分比的误差。
单相变测试显示界面如图19所示:
图19、单相变测试(零序阻抗)界面
单相短路屏显示出当前测试的实际电压Ua、电流Ia和功率Pa;单相变压器短路试验的测试数据,包括实测阻抗电压、实测负载损耗、校正后的阻抗电压、校正后的负载损耗;单相变压器空载试验的测试数据,包括实测空载电流百分比、实测空载损耗、校正后空载电流百分比、校正后空载损耗;零序阻抗Z0。
三相短路显示如图20所示:
图20、三相短路测试界面
屏中显示出三相测试电压值(Uab、Uac、Ucb)、三相测试电流值(Ia、Ib、Ic)、三相实测功率值(Pa、Pb、Pc)、校正到额定电流条件下的损耗值Pk、短路自动锁定目标值Lock、三相平均电流值Ip、总功率Ph、校正到额定电流条件下的阻抗电压值Uk、校正到额定温度条件下(分别校正到75℃、100℃、120℃、145℃)的短路损耗数值Pk75、Pk100、Pk120、Pk145, 校正到额定温度条件下(分别校正到75℃、100℃、120℃、145℃)的阻抗电压数值Uk75、Uk100、Uk120、Uk145,被测变压器的高压电阻和高压电抗。此屏分别显示出当前各相的实际电压、电流、功率,以及各相电压的平均值Up、校正后的短路电压百分比Uk%、校正后的负载损耗 Pk(非额定电流条件下短路试验时将测量的功率损耗和短路电压校正到额定电流条件时的数值)。
在此屏查阅所保存的变压器容量测试结果,数据格式与容量测试结果相同如图21。
图21、结果查询界面
此界面用来对各项电参数进行精密测量,如图22所示:
图22、电气参量测量
显示内容包括三相的电压、电流、功率因数、相角、有功功率、无功功率、视在功率;还可以显示各相电参量的波形图,做为简单的示波器使用;直接绘制六角图,方便用户进行接线检查和判断;
此屏用来对外接测试电源的谐波含量进行测试;如图23所示:
图23、谐波分析界面
图中以柱状图的形式显示出某个参量的各次谐波含量(2-32次),同时还以数值的形式显示出来。
以下将分为二部分来介绍:有源测试、无源测试部分。
有源容量试验:通过一些必要的数据来确定某个变压器的实际容量值,从而检查出被试变压器铭牌容量是否真实。
容量测试仪配有三把测试钳(黄、绿、红),每只钳子分别引出两根测试线,一根粗线、一根细线,粗线接到仪器面板上容量测试端子对应颜色的电流端子(Ia、Ib、Ic),细线接到仪器面板上容量测试端子对应颜色的电压端子(Ua、Ub、Uc),将钳头按颜色分别夹在被试变压器的高压侧各相接线柱上,变压器的低压侧要用专用短接线良好短接。如图24所示:
图24、容量测试接线示意图
接好线后,在主界面选择容量测试项目,此时进入容量参数设置屏,按下列操作步骤进行设置:
l 设定当前温度,通过上下键将手型指针指到‘当前温度’选项,用左右键调节温度数值,要求尽量准确,最好以温度计的示值为准。
l 设置高压侧额定电压,通过上下键将手型指针指到‘高额定电压’选项,用左右键调节高额定电压档,例如被测变压器是10kV/400V的配变,则将本项设置为10kV
l 设置变压器类型,通过上下键将手型指针指到‘变压器类型’选项,用左右键调节该选项,使之与铭牌相符。
l 设置分接档位,通过上下键将手型指针指到‘分接档位’选项,用左右键调节该选项,通常将分接打到2分接位置,如遇被测变压器分接在其他位置,则将该选项设置到相应的位置。
l 通过上下键将手型指针指到‘被试品编号’选项,用左右键调节该选项为某个编号值。
l 按开始键进行测试,结果自动保留在液晶屏上
l 选择‘保存’可将结果保存到内部存储器中,如不需保存,则不选此项。
l 选择‘打印’可将测试结果打印出来。
有源负载试验的接线方法与容量测试完全相同,操作也同样简单,值得注意的是,有源负载试验的参数设置是用主界面中的第三项‘参数设置’,一定要正确设置。
空载试验:从变压器的某一绕组(一般从二次低压侧)施加正弦波额定频率的额定电压,其余绕组开路,测量空载电流和空载损耗。如果试验条件有限,电源电压达不到额定电压,可在非额定电压条件下试验,这种试验方法误差较大,一般只用于检查变压器有无故障,只有试验电压达到额定电压的80%以上才可用来测试空载损耗。
短路试验:将变压器低压大电流侧人工短接,从电压高的一侧线圈的额定分接头处通入额定频率的试验电压,使绕组中电流达到额定值,然后测量输入功率和施加的电压(即短路损耗和短路电压)以及电流值。
根据不同的测试项目以下分别进行介绍:
⑴ .单相变压器的空载试验(如图25):
从变压器的低压侧施加测试信号,高压侧开路,进行测试。
图25、单相变压器的空载试验
⑵ .三相电源对三相变压器的空载试验(如图26):
从变压器的低压侧施加测试信号,高压侧开路,进行测试。
图26、三相电源对三相变压器空载试验
⑶ .单相变压器短路试验(如图27):
从变压器的高压侧施加测试信号,低压侧良好短接,进行测试。
图27、单相变压器的短路试验
⑷ .测量三相变压器短路损耗(如图28):
从变压器的高压侧施加测试信号,低压侧良好短接,进行测试。
图28、三相电源对三相变压器短路试验
⑸ .零序阻抗测试(如图29)
图29 零序阻抗测试接线
一台变压器的零序电压和零序电流所表现出的阻抗叫零序阻抗。当系统不对称运行时,就会产生零序电流。它的大小不仅与绕组的连接方式有关,还与铁芯结构有关。
用单相调压器作为试验电源,将调压器的一个输出端接到损耗测试仪的A相电流端子的正端,另一个输出端接到测试仪B相电流端子的正端;黄色测试钳的粗线接到测试仪的A相电流端子的负端,电压测试线接到A相电压端子;红色测试钳的粗线接到测试仪B相电流端子的负端,细线接到测试仪的B相电压端子上。再将被测变压器的Yn侧接线方式的A、B、C相接线柱短接到一起,并连接黄色测试钳;0相接线柱连接到红色测试钳。注意一定要良好短接,否则会影响测试数据。
⑹ .单相电源轮相对三相变压器的空载试验(只适用Y/Yn0接线的变压器):
当现场试验条件无法满足用三相电源来做空载试验时,可用单相电源(交流220V)来进行三相变压器的空载试验。分别对变压器的每相加压试验,试验结果自动折算到三相电源试验的情况。具体接线(见附录三)。
利用仪器的Ua、Ub电压端子测量电压,用A相电流回路测量电流,依次对被测变压器的低压侧Ao、Bo、Co加电,进行测试。
仪器采用高性能锂离子充电电池做为内部电源,操作人员不能随意更换其他类型的电池,避免因电平不兼容而造成对仪器的损害。
仪器须及时充电,避免电池深度放电影响电池寿命,
正常使用的情况下尽可能每天充电(长期不用最好在一个月内充一次电),以免影响使用和电池寿命,每次充电时间应在4小时以上,因内部有充电保护功能,可以对仪器连续充电。
1.在测量过程中一定不要接触测试线的金属部分,以避免被电击伤。
2.测量接线一定要严格按说明书操作,否则后果自负。
3.测试之前一定要认真检查设置的参数是否正确。
4.最好使用有地线的电源插座。
5.不能在电压和电流过量限的情况下工作。
6.短路试验时,非加压侧的短接必须良好,否则会对测试结果有影响。
7.做短路试验时,如果高压或中压侧出线套管装有环形电流互感器时,试验前电流互感器的二次一定要短接。
8.试验接线工作必须在被试线路接地的情况下进行,防止感应电压触电。所有短路、接地和引线都应有足够的截面,且必须连接牢靠。测试组织工作要严密,通信顺畅,以保证测试工作安全顺利进行。
9.当仪器需要充电时,一定要关掉工作电源(按下“O”为关),插上电源线,充电指示的黄灯开始闪烁,说明充电进入正常状态。
10.当测试500kVA或630kVA的变压器时,必须要对参比容量进行设置,因为500和630的变压器处于阻抗电压变换区,容量有交叉的可能性,为了避免误判,必须对此参量进行设置。
见后附页
10kV(6kV)系列配电变压器技术参数 | |||||||||||||||||||
额定容量(kVA) | 高额定电流(A) | 低额定电流(A) | 空载损耗(kW) | 负载损耗(kW) | 阻抗电压(%) | 空载电流( %) | |||||||||||||
S7 | S9 | S11 | S7 | S9 | S11 | S7 | S9 | S11 | S7 | S9 | S11 | ||||||||
0.06 | 0.3 | 4.0 | 4 | 2.8 | |||||||||||||||
0.1 | 0.5 | 4.0 | 3.5 | 2.4 | |||||||||||||||
30 | 1.732 | 43.3 | 0.15 | 0.13 | 0.1 | 0.8 | 0.6 | 0.6 | 4.0 | 4.0 | 4.0 | 2.8 | 2.3 | 1.8 | |||||
50 | 2.887 | 72.17 | 0.19 | 0.17 | 0.13 | 1.15 | 0.87 | 0.87 | 4.0 | 4.0 | 4.0 | 2.6 | 2.0 | 1.6 | |||||
63 | 3.637 | 90.94 | 0.22 | 0.2 | 0.15 | 1.4 | 1.04 | 1.04 | 4.0 | 4.0 | 4.0 | 2.5 | 1.9 | 1.5 | |||||
80 | 4.619 | 115.5 | 0.27 | 0.25 | 0.18 | 1.65 | 1.25 | 1.25 | 4.0 | 4.0 | 4.0 | 2.4 | 1.9 | 1.5 | |||||
100 | 5.774 | 144.3 | 0.32 | 0.29 | 0.2 | 2.0 | 1.5 | 1.5 | 4.0 | 4.0 | 4.0 | 2.3 | 1.8 | 1.4 | |||||
125 | 7.217 | 180.4 | 0.37 | 0.34 | 0.24 | 2.45 | 1.8 | 1.8 | 4.0 | 4.0 | 4.0 | 2.2 | 1.7 | 1.4 | |||||
160 | 9.238 | 230.9 | 0.46 | 0.4 | 0.28 | 2.85 | 2.2 | 2.2 | 4.0 | 4.0 | 4.0 | 2.1 | 1.6 | 1.3 | |||||
200 | 11.55 | 288.7 | 0.54 | 0.48 | 0.33 | 3.5 | 2.6 | 2.6 | 4.0 | 4.0 | 4.0 | 2.1 | 1.5 | 1.2 | |||||
250 | 14.43 | 360.9 | 0.64 | 0.56 | 0.4 | 4.0 | 3.05 | 3.05 | 4.0 | 4.0 | 4.0 | 2.0 | 1.4 | 1.1 | |||||
315 | 18.19 | 454.7 | 0.76 | 0.67 | 0.48 | 4.8 | 3.65 | 3.65 | 4.0 | 4.0 | 4.0 | 2.0 | 1.4 | 1.1 | |||||
400 | 23.09 | 577.4 | 0.92 | 0.8 | 0.57 | 5.8 | 4.3 | 4.3 | 4.0 | 4.0 | 4.0 | 1.9 | 1.3 | 1.0 | |||||
500 | 28.87 | 721.7 | 1.08 | 0.96 | 0.68 | 6.9 | 5.1 | 5.1 | 4.0 | 4.0 | 4.0 | 1.9 | 1.2 | 1.0 | |||||
630 | 36.37 | 909.4 | 1.3 | 1.2 | 0.81 | 8.1 | 6.2 | 6.2 | 4.5 | 4.5 | 4.5 | 1.8 | 1.1 | 0.9 | |||||
800 | 46.19 | 1155 | 1.54 | 1.4 | 0.98 | 9.9 | 7.5 | 7.5 | 4.5 | 4.5 | 4.5 | 1.5 | 1.0 | 0.8 | |||||
1000 | 57.74 | 1443 | 1.8 | 1.7 | 1.15 | 11.6 | 10.3 | 10.3 | 4.5 | 4.5 | 4.5 | 1.2 | 1.0 | 0.8 | |||||
1250 | 72.17 | 1804 | 2.2 | 1.95 | 1.36 | 13.8 | 12 | 12 | 4.5 | 4.5 | 4.5 | 1.2 | 0.9 | 0.7 | |||||
1600 | 92.38 | 2309 | 2.65 | 2.4 | 1.64 | 16.5 | 14.5 | 14.5 | 4.5 | 4.5 | 4.5 | 1.1 | 0.8 | 0.6 | |||||
2000 | 115.5 | 2887 | 2.8 | 2.24 | 17.8 | 17.8 | 4.5 | 4.5 | 4.5 | 0.6 | 0.6 | ||||||||
S9系列35kV等级配电变压器技术参数 | |||||||||||||||||||
额定容量(kVA) | 空载损耗(kW) | 负载损耗(kW) | 阻抗电压(%) | 空载电流( %) | |||||||||||||||
50 | 0.21 | 1.25 | 6.5 | 2.0 | |||||||||||||||
100 | 0.3 | 2.03 | 6.5 | 1.8 | |||||||||||||||
125 | 0.34 | 2.35 | 6.5 | 1.75 | |||||||||||||||
160 | 0.38 | 2.82 | 6.5 | 1.65 | |||||||||||||||
200 | 0.44 | 3.30 | 6.5 | 1.55 | |||||||||||||||
250 | 0.51 | 3.90 | 6.5 | 1.40 | |||||||||||||||
315 | 0.61 | 4.70 | 6.5 | 1.40 | |||||||||||||||
400 | 0.74 | 5.70 | 6.5 | 1.30 | |||||||||||||||
500 | 0.87 | 6.90 | 6.5 | 1.30 | |||||||||||||||
630 | 1.04 | 8.20 | 6.5 | 1.25 | |||||||||||||||
800 | 1.25 | 1.0 | 6.5 | 1.05 | |||||||||||||||
1000 | 1.48 | 12.0 | 6.5 | 1.00 | |||||||||||||||
1250 | 1.76 | 14.0 | 6.5 | 0.85 | |||||||||||||||
1600 | 2.13 | 17.0 | 6.5 | 0.75 | |||||||||||||||
单相法测量三相变压器空载损耗接线说明
注意:此方法只适用于Y/Yn0联结方式的变压器
当现场停电无法提供空载试验所用的三相电源时,可采用单相法测量三相变压器的空载损耗,测量方法如下:
1. 用单相~220V交流电源分别对变压器的A、B、C各相做单相空载试验。在进入参数设置界面时,在 变压器容量: 状态栏输入所测得变压器容量值,在 高额定电压: 、低额定电压: 和 接线方式: 状态栏,按铭牌所标值输入。
2. 做A相空载时,将黄色测试钳子夹在变压器低压侧的a相接线柱,将绿色测试钳子夹在变压器低压侧的公共端;测试钳分粗细线,按接线示意图联接(粗线接电流,细线接电压)。接线无误后,接通单相~220V交流电源,待数值稳定后按《确定》键,此时完成a相测试。注意:完成a相测试后必须先断开所加得~220V交流电源,然后换相测试(每测试完一相必须先断开电源)
3. 做B相空载时,将黄色测试钳子夹在变压器低压侧的b相接线柱,将绿色测试钳子夹在变压器低压侧的公共端;
4. 做C相空载时,将黄色测试钳子夹在变压器低压侧的c相接线柱,将绿色测试钳子夹在变压器低压侧的公共端;
单相空载测试接线示意图见附录三。
