
参考标准:
注: 关于产品购买、技术维护等服务,欢迎致电! 联系我们
局放综合分析仪
使用说明书 V1.7
安全声明
警告:
l 始终保持高压部分与仪器、探头和操作人员之间的安全距离。
l 严格遵守当地安全规则。
l 附近有雷暴天气时,不得进行测量。
l 切勿在测试过程中以机械方式(比如晃动或敲击)、电气方式(比如增加电压)或物理方式(比如加热)来干扰设备。
l 不得在爆炸环境中操作仪器或附件。
l 该装置不属于用户自己维修的零件,如果需要维护与修理,请联系本公司进行维修。
l 设备加电之前,应首先将仪器接地端子用接地线可靠接地,以免损坏仪器设备或造成人身伤害!!!
目录
局放综合分析仪(以下简称为局放仪)采用全新技术实现的新一代高性能数字化局放测量分析仪器。本产品为多信号通道、台式、TFT液晶显示,系统可靠,故障率低。除了可以用于高压电气设备的局部放电测量外,还拥有对故障设备故障点精准定位的功能,设备内嵌专家诊断系统,可对不同放电类型进行精确判别,同时也可用于大型电力变压器等高压电气设备的局部放电在线连续监测。真正实现了局放测量、定位、在线监测多功能合为一体。
本局放仪是测量、分析电力设备绝缘性能的专用仪器。本系统采用现代电子和计算机综合技术,实现信号放大(模拟、电子、数字)、滤波、数据采集、数据处理、图形显示、试验报告自动生成,从而完成局部放电的测量、定位及故障诊断。
本局放仪适用范围、检测方法、试验回路、技术性能参数等完全符合国际标准IEC270、国家标准GB7354-2003《局部放电测量》(Partial Discharge measurements)和《电力设备局部放电现场测量导则》DL 417-91标准要求。
Ø IEC60270《局部放电测量》
Ø GB1094《电力变压器》
Ø IEC6067.11《干式变压器》
Ø IEC60885-3《整根挤包电缆局放试验》
Ø GB1094《电力变压器》
Ø GB1207《电压互感器》
Ø GB12706.4《电力电缆附件试验要求》
Ø GB/T3048.12《电线电缆电性能试验方法局放试验》
Ø GB/T16927《高电压试验技术》
Ø GB/T7354《局部放电测量》
Ø GB1208《电流互感器》
Ø DL417《电力设备局部放电现场测量导则》
技术特性 | |
通道数 | 独立4通道 |
采样速率 | 1M、5M、10M可选 |
采样精度 | 12bit |
量程切换 | -40dB,-20dB,0dB,20dB,40dB,60dB共6档 |
测量频带 | 3dB 带宽 10kHz~1MHz |
数字滤波 | 10kHz~1MHz 任意选择 |
程控滤波器分段 | 低端频率:10kHz,20kHz,40kHz,80kHz |
本量程非线性误差 | 10% |
测量范围 | 0.1pC~100,000pC |
灵敏度 | 0.1pC |
可测试品的电容量范围 | 6pF~250µF |
试验电源频率范围 | 50~500Hz |
显示 | |
显示屏 | 12” TFT真彩色触摸液晶显示屏 |
分辨率 | 1024×768 |
接口 | |
USB | 3路,可外接鼠标键盘,以及外接移动存储设备 |
电源模式 | AC 220V;频率50Hz;功率300W |
电信号接口 | 4路BNC接口,用于信号输入 |
光信号接口 | 4路,用于信号输入 |
网口 | 1路 |
接地钮 | 外部接地 |
通用说明 | |
CPU | 主频1.60GHz |
内存 | 2.0GB |
硬盘 | 128GB固态硬盘 |
系统 | Windows Xp |
工作环境 | 环境温度:-10~45℃ 相对湿度:≤95% |
尺寸 | 长×宽×高:474mm × 288mm × 370mm |
重量 | 15.8kg |
序号 | 名称 | 说明 |
1 | 触摸屏 | 显示波形及各种测试数据 |
2 | 电源开关 | 仪器主电源开关 |
3 | 4通道信号输入指示灯 | 局放不同传感器类型信号输入指示 |
4 | 内外同步指示灯 | 内外同步指示 |
5 | USB接口 | 可外接USB设备 |
图4.2 后面板示意图
序号 | 名称 | 说明 |
1 | 电源 | 仪器工作电源 |
2 | 保险 | 同步电源输入保险(0.1A) |
3 | 标准脉冲 | 输出标准方波电压 |
4 | 风扇 | 仪器设备内部散热 |
5 | 1~4通道光信号输入 | 局放光信号输入 |
6 | 1~4通道电信号输入 | 局放电信号输入 |
7 | 1~4通道直通信号输入 | 局放直通信号输入 |
8 | 接地端子 | 仪器接地 |
9 | RS232接口 | 连接RS232串口设备 |
10 | VGA接口 | 显示器接口,用于外接显示器 |
11 | USB接口 | 连接外部USB设备 |
12 | RJ45接口 | 网络接口 |
图4.3 软件主界面
序号 | 名称 | 说明 |
1 | 运行/停止指示灯 | 设备运行或停止状态 |
2 | 试验电压 | 显示试验电压,需要校准才能正确测量 |
3 | 试验频率 | 实时显示当前试验频率 |
4 | 触发方式 | 显示当前试验的触发方式 |
5 | 同步方式 | 显示内同步或外同步 |
6 | 运行时长 | 显示试验运行时间,点击运行开始计时,点击停止后停止计时 |
7 | 系统时间 | 系统时间显示 |
8 | 单通道通道控制按钮 | Ø 增益 调节通道增益 Ø 压缩 对放电波形进行幅值压缩 Ø 拉伸 对放电波形进行幅值拉伸 Ø 分析 对放电波形进行开窗分析 Ø 自适应 对放电波形进行幅值自适应 |
9 | 通道号 | 通道号显示 |
10 | 通道放电量 | 当前通道的放电量 |
11 | 频带选择 | 当前通道的硬件频带选择 |
12 | 校准指示 | 如果已校准显示:“V” 如果未校准显示:“X” |
13 | 开窗数目 | 显示当前通道的开窗个数 |
14 | 通道接口类型 | 显示当前通道的接口类型 |
15 | 通道对外供电指示 | 显示当前通道的供电指示 |
16 | 控制按钮 | 局放测量功能按钮 Ø 运行/停止 设备运行停止按钮 Ø 暂停/刷新 波形采集暂停及刷新,点击暂停,波形采集停止,但6中的运行时长继续累积。点击刷新,波形继续采集 Ø 试验文件夹 试验文件夹设置 Ø 测量方式 时域波形方式与分析诊断方式切换 Ø 报告生成 生成试验报告 Ø 屏幕捕获 进行快速抓屏 Ø 手动存储 手动存储局放试验记录 Ø 记录浏览 浏览局放试验记录同时进行局放历史波形回放 Ø 系统退出 退出局放综合分析仪软件 |
17 | 幅值伸缩条 | 用于对放电波形幅值的压缩和拉伸 |
图4.4 系统设置界面
序号 | 名称 | 说明 |
1 | 触发及同步 | Ø 触发使能 选择触发使能后,系统自动默认触发为通道触发 Ø 触发 设置通道触发,可选:CH01,CH02,CH03,CH04,当“触发使能”勾选后,该值有效 Ø 触发值 当触发方式为“通道触发”时,该值有效,设置通道触发阈值 Ø 同步选择 设置同步方式,可选:内同步,外同步,内外自动同步、软件同步。其中,选择内外自动同步后,内外同步自动切换;选择软件同步后,同步频率可以任意设置 Ø 同步频率 显示当前试验电压频率,当“同步选择”为软件同步时,该值可设 |
2 | 电压 | Ø 电压变比 试验电压与仪器电压的比值 Ø 电压 校准时输入试验电压 |
3 | 系统模式 | Ø 计算模式 局放值显示的不同计算方式,可选:平均1次、平均3次、平均5次、平均7次、平均10次、平均15次、平均20次、平均25次、IEC脉冲响应1、IEC脉冲响应2、IEC脉冲响应3。 注:其中IEC脉冲响应1、IEC脉冲响应2、IEC脉冲响应3三种方式可针对低频脉冲序列响应测量 Ø 显示模式 设置放电波形的显示方式,包括:椭圆,直线,正弦 |
4 | 存储模式 | Ø 时间间隔 设置自动保存记录的时间间隔 Ø 自动记录 选择此项将按给定时间间隔自动保存试验记录 |
5 | 采样频率 | Ø 采样频率 设置采样率,包括: 1M,5M,10M |
6 | 系统功能按钮 | Ø 关于…. 弹出关于对话窗,包含开发单位及软件基本信息 Ø 恢复出厂设置 系统设置初始化 |
7 | 通道选择 | 用于切换4个通道,显示各自的设置信息 |
8 | 通道/增益/供电 | Ø 通道类型 包括:直通、BNC、光纤三种 Ø 相移 通道相位偏移角度 Ø 供电 通道对外供电 Ø 自动增益 自动增益开关控制 |
9 | 频段选择 | 设置通道的高频和低频值,点击“波形浏览”按钮可以查看局放数据波形 |
10 | 校准 | 通道局放量校准 |
11 | 通道放电波形 | 显示当前通道的放电波形 |
图4.5 试验列表界面
序号 | 名称 | 说明 |
1 | 试验列表 | 列出所有试验的名称 |
2 | 试验详情 | 显示选择的试验名称的详细内容,包括:试验名称、试验人员、试品型号、试验厂家、试验日期、试品类型、电源频率 |
3 | 功能按钮 | Ø 删除 删除所选的试验全部记录 Ø 刷新 刷新试验列表的试验记录 Ø 数据管理 点击可显示移动设备详情及文件导入导出操作 Ø 确定 点击可保存当前的设置并退出 |
4 | 移动设备列表 | 列出所有可识别移动设备 |
5 | 导入导出 | Ø 仪器->U盘 将选中的试验文件夹导入到U盘中
|
6 | 移动设备目录 | 展示U盘中所有的文件 |
HCPD系列输入单元的结构为RLC型,是一种调谐阻抗,用于常规的局部放电检测,具有较高的检测灵敏度。输入单元共分为多个类型,在检测微弱放电信号时,应选择合适的输入单元,以保证足够的灵敏度。
图4.6基本输入单元面板示意图
图4.7输入单元原理示意图
图4.8 RLC型输入单元的检测回路及等效电路示意图(并联法)
◆输入单元原理:
1)如图4-8所示为RLC型输入单元的检测回路及等效电路,其中Cx为试品电容,Ck为耦合电容。当产生一次局部放电时,试品Cx两端产生一个瞬时电压变化Δu,此时若经过Ck耦合到输入单元上,回路就会产生一脉冲电流I,局放仪将脉冲电流经输入单元产生的脉冲电压信息,予以检测、放大和显示等处理,就可以测定局部放电的一些基本参量(主要是放电量q)。
虚线框内为RLC型输入单元等效电路,它是由一电感Lm、电容Cm、电阻Rm并联电路,当检测回路工作时,Cx、Ck、Lm谐振,在输入单元上会产生较高的谐振电压。选择合适的输入单元(主要考虑电感Lm,电容Cm很小,计算时可忽略),使检测回路的谐振频率落在测量系统的测量范围以内(即检测回路的谐振电容Ct落在输入单元调谐电容(Ct´)的范围),便可达到足够高的测量灵敏度。
检测回路谐振频率 ![]()
谐振电容 Ct = Cx*Ck/(Cx+Ck)
2)输入单元一般可分为平衡阻抗和普通阻抗两大类,平衡阻抗可以有多种功能:
图4.9 平衡输入单元面板示意图
①为初级首端,②为中心抽头,③为初级末端。
平衡测量回路使用:
一路输入接①,另一路接③,②接地,此时构成平衡测量回路,可以提高抗干扰能力。
作为普通输入单元使用(不平衡回路):
输入信号接①,③接地,忽略②时,平衡输入单元可以作为普通输入单元使用;
同时测量试品电压和局放信号(分压输入单元):
输入的①、③接入电容分压器回路,可以同时测量试品上的电压和局放。
3)输入单元的选择:
HCPD系列输入单元有12个独立输入单元,每个输入单元上都有调谐电容(Ct´)的范围,只要检测回路的谐振电容Ct落在调谐电容(Ct´)的范围,就足以满足测试选择的要求。
根据耦合电容CK和试品电容CX可粗略估算谐振电容Ct,从而确定单元序号:
表1 独立输入单元技术参数表
输入单元序号 | 调谐电容Ct´ | 灵敏度 非平衡输入 | 最大电流(RMS) | |
非平衡输入 | 平衡输入 | |||
1 | 6pF-25pF-100pF | 0.01pc | 30mA | 0.25A |
2 | 25pF-100pF-400pF | 0.02pc | 60mA | 0.5A |
3 | 100pF-400pF-1500pF | 0.04pc | 120mA | 1A |
4 | 400pF-1500pF-6000pF | 0.08pc | 250mA | 2A |
5 | 1500pF-6000pF-0.025mF | 0.15pc | 0.5A | 4A |
6 | 6000pF-0.025mF-0.10mF | 0.3pc | 1A | 8A |
7 | 0.025mF-0.10mF-0.4mF | 0.5pc | 2A | 15A |
8 | 0.10mF-0.4mF-1.5mF | 1.0pc | 4A | 30A |
9 | 0.4mF-1.5mF-6.0mF | 1.5pc | 8A | 60A |
10 | 1.5mF-6.0mF-25mF | 2.5pc | 15A | 120A |
11 | 4.0mF-15mF-60mF | 5.0pc | 25A | 200A |
12 | 15mF-60mF-250mF | 10pc | 50A | 300A |
注:一般测试油浸电流互感器或电压互感器时,选择2号输入单元,测试环氧电流互感器或电压互感器时,选择3号输入单元,测试小型变压器时,选择4号输入单元。
◆零标输入
零标输入单元(即外同步模块)作为局部放电检测系统的相位基准,对识别局部放电和干扰有重要作用,外部零标输入时,系统的相位可以和外零标输入严格同步,且无频率间隔要求,故可以和无局放串联谐振电源相配合。
外零标的输入范围为:交流10∽380V,30Hz∽300Hz。
在实际试验中,可以将试验电源电压经分压器降至10∽380V再接入零标单元。如果在屏幕上输入分压器的变比,可以直接测量出试验电源电压。
◆分压式输入单元原理:
图4.10同时测量局放和试验电压的接线示意图
图4.11仅测量局放的接线示意图
分压式输入单元可以完成如下功能:
测量局放:C1作耦合电容使用,其右端接输入单元;C2、C3不用。
测量试验电压:C1右端和单刀双掷开关上端连接,作普通分压器使用。
同时测量局放和试验电压:C1右端接阻抗输入①,单刀双掷开关上端接阻抗输入③,测电压时,可根据需要选择C2或C3,③再通过零标输入单元(对应的外同步模块)接到主机。
局部放电产生的声波的频谱很宽,可以从几十赫兹到几兆赫兹,其中频率低于20kHz的信号能够被人耳听到,而高于这一频率的超声波信号必须用超声波传感器才能接收到。通过测量超声波信号的声压大小,可以推测出放电的强弱。
◆超声传感器的测量方法:被测试品发生放电时,产生超声波信号,并通过介质(空气、油等)传到试品箱壁,只要在试品箱壁外侧放置超声传感器,就可以接收到放电产生的超声波信号。
◆超声传感器技术参数:
HCCS-II型磁吸附式超声传感器 | |
频带: | 20-300kHz |
灵敏度: | -7dB |
动态范围: | >80dB |
谐振频率: | 80kHz |
型号 | HCPD-02 | HCPD-03 | HCPD-04 |
输出脉冲上升沿 | <30nS | ||
输出脉冲下降沿 | >100uS | ||
输出电量 | 10pC,50 pC, 100 pC,500 pC | 50pC,100pC,200 pC,500 pC,1000 pC | 1000 pC ,2000 pC ,5000 pC ,10000 pC |
脉冲重复频率 | 50Hz-1000Hz | ||
输出内阻 | <100Ω | ||
◆局部放电测试电路的三种基本接法及优缺点。
并联法 串联法 平衡法
图5.1 三种基本接法及优缺点
(1)标准试验电路,又称并联法。适应于必须接地的试品。
其缺点是高压引线对地杂散电容并联在 CX上,会降低测试灵敏度。
(2)串联法,其要求试品低压端对地浮置。
其优点是变压器入口电容、高压线对地杂散电容与耦合电容CK并联,有利于提高试验灵敏度;缺点是试样损坏时会损坏输入单元。
(3)平衡法试验电路:要求两个试品相接近,至少电容量为同一数量级。
其优点是外干扰强烈的情况下,可取得较好抑制干扰的效果,并可消除变压器杂散电容的影响,而且可做大电容试验;缺点是需要两个相似的试品,且当产生放电时,需设法判别是哪个试品放电。
注:由于现场试验条件的限制(找到两个相似的试品且要保证一个试品无放电不太容易),所以在现场平衡法比较难实现,另外,由于采用串联法时,如果试品击穿,将会对设备造成比较大的损害,所以出于对设备保护的想法,在现场试验时一般采用并联法。
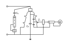
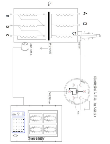
◆采用并联法的整个系统的接线原理图
该系统采用脉冲电流法检测高压试品的局部放电量,由控制台控制调压器和变压器在试品的高压端产生测试局放所需的预加电压和测试电压,通过无局放耦合电容器和输入单元将局部放电信号取出并送至局部放电检测仪显示并判断和测量。系统中的高压滤波器可以防止在测试过程中试品击穿而损坏其他设备,阻塞放电电流进入试验变压器,并且可以抑制从高压电源进入的谐波干扰,隔离滤波器是将电源的干扰和整个测试系统分开,降低整个测试系统的背景干扰。
图5.2 采用并联法系统接线原理图
◆几种典型的局部放电测量回路连接方法
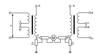
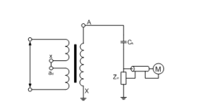
a电压互感器:
电压互感器的试验方法可归结为两大类,即在被试品高压侧加压或低压侧加压(即二次绕组自励磁产生),一般推荐采用高压侧加压,但在现场若受到客观条件的限制,无适当的电源设备,则采用低压侧加压。
高压侧加压:
图5.3 输入单元和电压互感器串接
T—试验变压器; Ck为耦合电容器; Zm为输入单元;
Z为电源滤波阻抗(也可位于低压侧) M为局放检测仪

图5.4 输入单元和耦合电容器Ck串接
图5.5 平衡回路
注:电压互感器高压线圈首末两端绝缘水平相等的,应向两个高压端子轮流施加电压,共进行两次试验。当一个高压端子加压时,另一个高压端子应接到低压端子上。
低压侧加压:
1) 输入单元和互感器串接,以杂散电容Cs取代耦合电容器Ck,其试验接线如图5.6所示。外壳可并接在X处,也可直接接地。
2) 当干扰影响测量时,可采用邻近相的互感器或性能相近的互感器连接成平衡回路的接线,如图5.7所示,被试互感器励磁,非被试互感器不励磁,以降低干扰。此时采用脉冲鉴别系统测试效果更佳。
3) 输入单元和耦合电容器Ck串接,其试验接线如图5.8所示。外壳可直接接地。
为防止励磁电流过大,电压互感器试验的预加电压,可采用150Hz或其它合适的频率作为试验电源。
图5.6 无耦合电容器Ck试验接线

图5.7 抑制干扰的平衡回路接线
图5.8接有耦合电容器Ck的试验接线
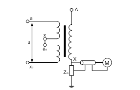
b 电流互感器:
电流互感器局部放电试验,试验电压由外施电源产生,一般有三种检测方法:
1)输入单元和互感器串接,以杂散电容Cs取代耦合电容器Ck,其试验接线如图5.9所示。试验变压器一般按需要选用单级变压器串接(例如单级电压为60kV的3台变压器串接),其内部放电量应小于规定的允许水平。互感器若有铁芯C端子引出,则并接在B处。电容式互感器的末屏端子也并接在B处。外壳最好接B,也可直接接地。
2)当干扰影响测量时,可采用邻近相的互感器或性能相近的互感器连接成平衡回路的接线,如图5.10所示,被试互感器施加高压,非被试互感器不施加高压,以降低干扰。此时采用脉冲鉴别系统测试效果更佳。
3)输入单元和耦合电容器Ck串接,其试验接线如图5.11所示。外壳可直接接地。
图5.9 电流互感器试验接线
Tr—试验变压器;C—铁芯;F—外壳
图5.10抑制干扰的平衡法接线
Cx—被试互感器;Cc—邻近相互感器
图5.11接有耦合电容器Ck的试验接线
c 变压器套管接线
变压器或电抗器套管局部放电试验时,其下部必须浸入一合适的油筒内,注入筒内的油应符合油质试验的有关标准,并静止48h后才能进行试验。试验时以杂散电容Cs取代耦合电容器Ck,试验接线如图5.12所示。
图5.12变压器套管接线
Cb—套管电容;L—电容末屏
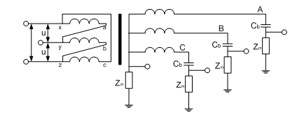
d 发电机的局放测试接线原理图

图5.13 发电机的局放测试接线
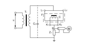
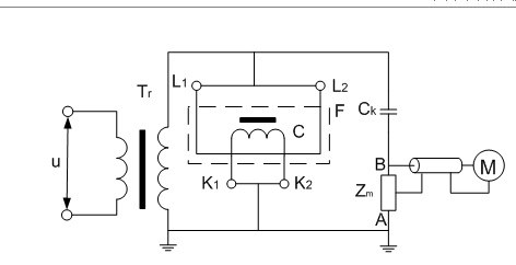
e 变压器的局放测试接线原理图
变压器试验电源一般采用50Hz的倍频或其它合适的频率。三相变压器可三相励磁,也可单相励磁。变压器局部放电试验的基本原理接线,如图5.14所示:
图5.14.A 单相励磁基本原理接线
图5.14.B 三相励磁基本原理接线
图5.14.C 套管抽头测量和校准接线
图5.14 变压器局部放电试验的基本原理接线
其中 Cb—为变压器套管电容
a) 首先将仪器的接地端子用电缆线可靠接地;
b) 将交流220V电源线插接在仪器标有(AC220V)的电源插口上;
c) 将输入单元(输入阻抗)的初级末端和接地端子短接并接地(非平衡输入),初级首端接耦合电容的低压端;
d) 用50欧姆同轴电缆将仪器信号输入的一个通道和输入单元至放大器端子连接;如果有较强的地噪声干扰,为防止其影响测量精度,中间可串入输入适配器;
e) 各通道电信号连接方式相同。
Ø 用试品的高压套管末屏作为耦合电容,进行局放测试:(参见附录图3局放试验接线图)
f) 将输入单元的初级首端与被测试品的高压套管末屏连接;
g) 这种连接方式下,需要校准仪器时,将校准脉冲发生器输出的红线夹子,夹至高压套管的顶端,同时将其黑线接地。(参见附录图1校准接线图)
Ø 用专用高压耦合电容进行局放测试:(参见附录图4局放试验接线图)
h) 用专用高压耦合电容进行局放测试:
i) 对于已配装输入单元的耦合电容,用50欧姆同轴电缆将耦合电容下端标有至局放仪的BNC口接至局放仪的信号输入端;将耦合电容的高压端子用带均压管的电缆接至被测试品的高压端子。
j) 对于未配装输入单元的耦合电容,应将耦合电容的低压端用短线与输入单元的初级首端连接,输入单元的初级末端与接地端连接后接地。输入单元至放大器端用50欧姆同轴电缆接至局放仪信号输入端;将耦合电容的高压端子用带均压管的电缆接至被测试品的高压端子。
k) 以上两种接线方式在校准时,校准脉冲发生器的接线是相同的,应将校准脉冲发生器输出的红线夹子,夹至试品的高压端子上,同时将黑线夹子接地。(参见附录图2校准接线图)
(注意:在加高压前,请将“校准脉冲发生器”取下,否则可能造成重大事故!!)
用专用的50欧姆同轴短电缆将仪器信号输入的一个通道和光电转换放大器的输出端连接;
光电转换放大器的指示灯亮(仪器上电后),表示工作正常;如果不亮,则需关闭仪器下部电源开关信号调理器电源开关,关闭5秒钟后再打开即可。
用光纤将超声探测器连至光电转换放大器的输入端,并将超声探测器的前端涂一层超声耦合剂(一般可用黄油或凡士林代替),吸附在被试品的箱壁上。因为超声探测器的前端有较强的磁性,直接正向接触箱壁容易因吸力形成撞击而损坏探头,故请按如下方法操作:用手握住探测器的上盖部位,倾斜探测器,使探测器的轴线与油箱面的夹角小于45°,然后使探测器靠近油箱壁,并将探测器的下边沿与箱壁接触,然后小心地将其扶正平放即可;
将超声探测器的开关拨到开的位置,看到指示灯亮即可;
各通道声电信号连接方式相同。
先打开仪器主电源开关,仪器自动进入主界面。或者点击桌面图标
进入。
打开试验列表界面,输入或选择试验名称及试验其他相关信息,系统默认试验名称为QuickTest。
点击主界面[系统设置]按钮,进入“系统设置”界面,进行您需要的设置;
Ø [同步]:内同步(默认)、外同步
Ø [触发源]:通道1、2、3、4和数字(默认),软件
Ø [工作方式]:测量(默认)、定位
Ø [显示模式]:直线(默认)、椭圆、正弦
Ø 其他设置按照自己习惯进行设置如[电压变比]、[电压]、[自动记录]、[自动增益]等
程控滤波器由低端频率和高端频率组成,低端频率分为10kHz、20kHz、40kHz、80kHz四个档位,高端频率分为100kHz、200kHz、300kHz、400kHz四个档位。测量带宽任意组合建议您使用40-200kHZ或40-400kHz。
本仪器的每个通道都有6个增益档位,分别为-40dB、-20dB,0dB,20dB,40dB,60dB。若信号幅值过大(超过量程幅值),在显示的检测数值前面出现“★”,则表示信号超出当前量程,需要衰减档位,即将“增益”档位换成数值较大的档位。若信号幅值过小,最大幅值小于量程的约5%以下,就需要提高档位,即将“增益”档位换成数值较小的档位。
本仪器具有自动调节增益功能,在“系统设置”对话框中的“自动增益”区域,可以选中“自动增益”,并对此区域的其他参数进行相应设置,本仪器就会根据设置进行自动调节增益。
仪器在每次接线完毕后开始试验前,都必须先进行校正以获得准确的检测结果。
Ø 校准的过程如下:
a) 将校准脉冲发生器按规定方法接入试验回路,并施加适当的放电脉冲。
b) 打开“系统设置”界面,选择需要校正的通道。
c) 根据施加在被测试产品两端的已知电荷量,在通道设置区域的“校正量”内输入需要校准的放电(pC)值(应与校准脉冲发生器选择的数值相等)。
d) 点击通道设置区域的“校正”按钮,校正过程开始,同时,校正按钮变为“保存”按钮。
e) 选择合适的增益档位。
f) 持续几秒后,观察“电量值”(主画面1)与校准脉冲发生器所选数值是否相等,待其显示数据稳定后按“保存”按钮,保存所选择通道的校准结果。
g) 重复上述过程校准其他通道。
h) 校正完毕后应拆除校准脉冲发生器,准备正式检测。
可以根据现场的实际情况,在校准的过程中,有选择的进行如下操作,以便使校准更加准确:
如果出现固定频率的干扰信号,可以选择合适的低频和高频滤波档位将其滤除。改变滤波频带后,必须重新进行校准。或采用静态抗干扰、动态抗干扰等各种抗干扰技术对干扰进行排除。
根据显示对“增益”档位进行调节,若在显示的数值前面出现“★”则表示超出量程,需要衰减档位,在不超出量程的情况下,应选择数值较小的档位,使校正信号的幅值尽可能大而且不出现“★”为宜。
Ø 基本检测步骤:
a) 校正完毕后,即可进入检测阶段。
b) 按下主界面中的“运行”按钮,进入测量状态,运行按钮此时显示为“停止”。这时在主界面的波形显示区应该可以观察到仪器的背景。如未拆除校准脉冲发生器,则在最后校准通道的波形显示区将出现均匀规则的波形,此时,拆除校准脉冲发生器后,即可进行正常测试。
c) 当待测试产品具备施加试验电压的条件后,开始加压。(注意在加压前一定要取下校准脉冲发生器!)
d) 加压后,若有局部放电发生,波形显示区出现局部放电波形,同时在波形显示区左上方显示本通道的局部放电量峰值。若没有局部放电发生,波形显示区出现的是该试验回路的背景波形,在波形显示区上方显示本通道的背景读数。
e) 在运行过程中,可根据需要,随时选用如下功能:
f) 开窗技术、手动保存数据、保存图形、自动保存数据、各种抗干扰、波形暂停、波形详细观察、频谱分析和波形缩放等 (各功能的操作方法见“高级功能”章节)。
g) 如果要结束测量,只需按下主画面“停止”按钮即停止实验,或直接按“退出”按钮,退出检测程序。
每一个通道的波形显示窗口内,可以同时开两个不同时刻的子窗口(相位窗)。此功能,一般用来避开某些相位的干扰,对所开窗相位内的波形进行读数,以下简称开窗。
Ø 开相位窗操作
将鼠标的光标放置在图形显示区的适当位置,按下鼠标左键,在保持按下的同时拖动鼠标到另一位置释放鼠标左键,可以形成框住基线的红色矩形框,即完成开窗操作。在同一通道的图形显示区,最多显示两个相位窗,重复以上操作。有相位窗时,读数显示的是相位窗口内的最大放电量。
Ø 关闭相位窗操作
需要关闭哪一个相位窗口,就将鼠标的光标放置在哪一个相位窗(红色矩形框)内,单击鼠标左键,即可关闭该窗口。在存在两个相位窗口的情况下,进行开窗操作可以关闭前两个相位窗口。
主要用于事后查看波形、pC值、详察波形、频谱分析及试验报告的生成。此时的备注对话框可以输入相应次数的描述,如当时电压情况等。
Ø 手动数据保存
手动存数的操作非常简单,可随时进行,使用方法:鼠标左键单击显示屏幕右上方的[手动存储]按钮即可。此操作的效果是将当前采集数据、时间、视在放电量、出现最大放电时的相位和试验条件等保存。
Ø 自动数据保存
自动存数只是用鼠标的左键单击“系统设置”界面[自动记录]按钮即可。此操作的效果是:根据参数设置界面中自动记录的时间间隔自动保存数据,保存内容与手动保存数据相同。
存图类似于照相,将屏幕上两个通道的试验波形同时保存,保存的图形可以用于生成试验报告。
Ø 试验波形图保存
保存了若干次采集数据后,在停止状态下,选择“记录浏览”框内相应记录,便将其保存时的pC值及波形显示在屏幕上,此时用鼠标左键单击主界面控制按钮中的“屏幕捕获”按钮即可存图,此图与此时的记录次数相对应。
Ø 波形分析
图6.1 分析——时域波形
在运行并采集了数据(或事后先选择[记录浏览]中相应的记录)才可详细观察波形,即对已经采集的数据进行详细观察。在详察波形窗口可以详细查看波形形状,从而分析放电波形的性质。
在波形显示区(主界面),移动鼠标指针到要详细观察的波形处,单击“分析”按钮弹出波形详细观察画面(在运行时,可以按“停止”按钮,使波形暂时停止刷新),包括一个图形画面、六个功能按钮(左移、右移、压缩、拉伸、频域/时域、关闭)以及幅值压缩拉伸条。
图6.2 分析——频域波形
在窗口内按[频域]按钮就进入频谱分析窗口。它是分析窗口内波形的频谱展开分析。
按[频域]/[时域]按钮,就可在波形分析窗口和频谱分析窗口之间切换。
按[退出]按钮,返回上一级画面。
在现场测量试品的局部放电时,干扰信号的串入是不可避免的,如果干扰信号的幅度大于放电信号的幅度时,将不能测出放电的量值。针对现场干扰强这一特点,局放仪增加了如下的若干种抗干扰措施。
⑴ 悬浮电位物体放电波形特点
在电压峰值前的正负半周两个象限里出现幅值。脉冲数和位置均相同,成对出现。放电可移动,但它们间的相互间隔不变,电压升高时,根数增加,间隔缩小,但幅值不变。有时电压升到一定值时会消失,但降至此值又重新出现。
原因:金属间的间隙产生的放电,间隙可能是地面上两个独立的金属体间(通过杂散电
容耦合)也可能在样品内,例如屏蔽松散。
图 6.3
⑵ 外部尖端电晕放电波形特点:
起始放电仅出现在试验电压的一个半周上,并对称地分布在峰值两侧。试验电压升高时,放电脉冲数急剧增加,但幅值不变,并向两侧伸展。
原因:空气中高压尖端或边缘放电。如果放电出现在负半周,表示尖端处于高压,如果放电出现在正半周则尖端处于地电位。
图6.4
⑶ 液体介质中的尖端电晕放电波形特点。
放电出现在两个半周上,对称地分布在峰值两侧。每一组放电均为等间隔,但一组幅值较大的放电先出现,随试验电压升高而幅值增大,不一定等幅值;一组幅值小的放电幅值相等,并且不随电压变化。
原因:绝缘液体中尖端或边缘放电。如一组大的放电出现在正半周,则尖端处于高压;如出现在负半周,则尖端处于地电位。
图6.5
⑷ 接触不良的干扰图形。
波形特点:对称地分布在实验电压零点两侧,幅值大致不变,但在实验电压峰值附近下降为零。波形粗糙不清晰,低电压下即出现。电压升高时,幅值缓慢增加,有时在电压达到一定值后会完全消失。
原因:实验回路中金属与金属不良接触的连接点;塑料电缆屏蔽层半导体粒子的不良接触;电容器铝箔的插接片等(可将电容器充电然后短路来消除)。
图6.6
⑸ 可控硅元件的干扰图形。
波形特点:位置固定,每只元件产生一个独立讯号。电路接通,电磁耦合效应增强时讯号幅值增加,试验调压时,该脉冲讯号会发生高频波形展宽,从而占位增加。
原因:邻近有可控硅元件在运行。
图6.7
⑹ 继电器、接触器、辉光管等动作的干扰。
波形特点:分布不规则或间断出现,同试验电压无关。
原因:热继电器、接触器和各种火花试验器及有火花放电的记录器动作时产生。
图6.8
⑺ 荧光灯的干扰图形。
波形特点:栏栅状,幅值大致相同的脉冲,伴有正负半波对称出现的两簇脉冲组。
原因:荧光灯照明
图6.9
⑻ 无线电干扰的干扰图形。
波形特点:幅值有调制的高频正弦波,同试验电压无关。
原因:无线电话、广播话筒、载波通讯等。
图6.10
⑼ 电动机干扰的干扰图形。
波形特点:放电波形沿椭圆基线均匀分布,单个讯号呈“山”字形。
原因:带换向器的电动机,如电扇、电吹风运转时的干扰。
图6.11
⑽ 中高频工业设备的干扰图形。
波形特点:连续发生,仅出现在电源波形的半周内。
原因:感应加热装置和频率接近检测频率的超声波发生器等。
图6.12
⑾ 铁芯磁饱和谐波的干扰图形。
波形特点:较低频率的谐波振荡,出现在两个半周上,幅值随试验电压升高而增大,不加电压时消失,有重现性。
原因:试验系统各种铁芯设备(试验变压器、滤波电抗器、隔离变压器等)磁饱和产生的谐振。
图6.13
⑿ 电极在电场方向机械移动的干扰图形。
波形特点:仅在试验电压的半周(正或负)上出现的与峰值对称的两个放电响应,幅值相等,而脉冲方向相反,起始电压时两个脉冲在峰值处靠得很近,电压升高时逐渐分开,并可能产生新的脉冲讯号对。
原因:电极的部分(尤其是金属箔电极)在电场作用下运动。
图6.14
⒀ 漏电痕迹和树枝放电
波形特点:放电讯号波形与一般典型图象均不符合,波形不规则不确定。
原因:玷污了的绝缘上漏电或绝缘局部过热而导致的碳化痕迹或树枝通道。
在放电测试中必须保证测试回路中其它元件(试验变压器、阻塞线圈、耦合电容器、电压表电阻等)均不放电,常用的办法是用与试品电容数量级相同的无放电电容或绝缘结构取代试品试验,看看有无放电。
在加压之前,如波形显示框中有较强干扰,按“停止”按钮,点击主界面上的“系统设置”按钮,弹出“系统设置”对话框,调节频段选择中的低通和高通,点击“波形浏览”按钮进行波形查看,选择恰当的低频和高频滤波值,消除相应的干扰。
如果上述方式不能有效滤除干扰,可再选择相应通道的“分析”按钮以便进一步消除干扰。
图6.15 抗干扰选择界面
注:低端频率、高端频率的波段范围,在校正和运行时应保持一致,否则数据不准确。
图6.16软件天线门控及极性判别抗干扰界面
1)天线门控
试验现场,各种无线电波以及其它设备产生的放电,都属于外部干扰,如果这些干扰通过空间串入试验回路而影响到试验时,可以采用天线门控抗干扰的措施。首先将某个通道接入天线(一般为第一通道),点击相应通道的“消除干扰”按钮,弹出“抗干扰”对话窗,点击天线对应的“设置”按钮,弹出“天线抗干扰设置”对话框。首先将某个通道接入天线(一般为第一通道),使用鼠标左键按下拖拉出红色框,框住信号比较小的部分(大于该值为干扰),读出pC值后,输入到“天线抗干扰设置”中的“上阈值(pC)编辑框中。
当两个通道信号之间产生变异,可通过相移(0—±360℃)和宽度(0—±360℃,0℃不加宽)来调整相位和宽度,以便消除空间干扰,方法是:右击某一通道画面上的干扰处,在详察画面右下面滚动条下面得到其相位度数,同理得到另一通道的相位度数,两者之差值输入到“相移(度)”编辑框内。
2)极性判别抗干扰
![]()

图6.17 极性判别抗干扰原理图
Ø 原理
外部干扰由引线串入变压器内部,其传输回路分别经过套管接地线和铁心接地线汇入大地,如图6.17 a,b所示两条回路。而变压器内部放电的传输回路可以由放电点经套管地屏、大地、铁心接地到放电点构成回路,如图6.17 c所示回路。所以,外部干扰在套管接地线和铁心接地线上产生的电流极性相同,而变压器内部放电在套管接地线和铁心接地线上产生的电流极性相反。
Ø 接线
先按局放测量的接线方法将输入单元的信号接入二通道,然后从铁心接地线引出一根电缆,面对宽频带电流互感器有文字的正面圆形孔中将电缆穿入,从背面穿出之后接到地线上,用同轴电缆把“宽频带电流互感器”耦合过来的信号接到局放仪的一通道即可。
注:铁心接地线一定要穿过HFCT局放传感器的正面,反之会导致信号极性错误。(参见附录接线图2、4左下部宽频带电流互感器的连接方法,方向要正确)
Ø 操作方法
a) 在注入方波校准时,利用波形分析功能观察两个通道同相位的方波信号的极性。
b) 测量时,将稍微大于1通道的背景输入到天线的“上阈”框内,然后根据极性选中同极性或异极性,相应通道会根据极性来判别是否去除,从而读出正确的放电量。
注:各通道的相移和群宽可能不一致,需要单独设置 。
图6.18 静态抗干扰界面
在加压之前,如波形显示框中有较强干扰,并且波形的相位基本固定,则可采取静态抗干扰方式。
按“停止”按钮,点击相应通道的“消除干扰”按钮,弹出“抗干扰”对话框,点击静态对应的“设置”按钮,弹出“静态抗干扰设置”对话窗。框选中较低的背景噪声波形处,将波形窗口上方显示的pC值输入到“静态抗干扰设置”的“上阈”编辑框内,按 “预览”按钮,随即该按钮变为“保存”,几秒钟后再按该按钮保存即可。点击“抗干扰”对话框中“静态”复选框按钮以消除静态干扰,再按此按钮恢复静态干扰的显示。
注:抗静态干扰按钮可在多个通道同时生效,各个通道的阈值可能不同,需要逐个测试(如通道为天线通道,则对天线通道无影响)。
图6.19 动态抗干扰界面
在试验中,如果随时有很强的动态干扰(包括其它设备的放电)影响局放测量pC读数时,点击“抗干扰”对话框中的动态对应的“设置”按钮,弹出“动态抗干扰设置”对话窗。
只要在“动态抗干扰设置”的“下阈”框中输入大于背景噪声的pC值,在“动态抗干扰设置”的“上阈”框中输入小于干扰的pC值,按下“抗干扰”对话窗中“动态”复选框按钮即可去掉欲屏蔽的动态较大的干扰和较小背景噪声。可以在“动态抗干扰设置”查看消除干扰和恢复干扰的对照显示。阈值可根据干扰的具体情况随时修改,以使读数更为准确。如果“下阈” 框中输入0,则不去除较小的背景噪声,比较真实反映现场情况。
注:抗动态干扰按钮可在多个通道同时生效,各个通道的阈值可能不同,需要逐个测试(如通道为天线通道,则对天线通道无影响)。
图6.20 背景抗干扰界面
如果背景信号比较均匀,为了更好的查看放电波形,可进行背景消干扰设置。点击测试按钮,在消干扰前波形区内对背景信号进行开窗,将放电值填入背景阈值(pC)中。可在消干扰后波形区中查看消背景效果。
图6.21 数字滤波界面
选择恰当的低频和高频滤波值,消除相应的干扰。
注:低频、高频的波段范围,在校正和运行时应保持一致,否则数据不准确。
包括通道波形显示、二维图谱显示、三维图谱显示。具体包括以下分析图。
Ø 局放测量波形
Ø 二维图谱
包括以下图谱
1)Q-φ趋势图
2)N-φ趋势图
3)PRPD趋势图
Ø 三维图谱
注:放电量Q,相位角φ,时间T。
是对仪器已经自动或手动保存的采集数据进行重显,用来对波形进行详细分析、判断放电性质,其分析查看的波形可以作为图形保存,用于生成试验报告。重显采样:将保存的数据文件(手动或自动)还原成波形显示在屏幕上。
首先点击主界面“记录浏览”按钮,启动“记录浏览”对话窗。选择相应的次数即可。
功能按键说明:
Ø 下一页
页码切换到试验记录的下一页。
Ø 上一页
页码切换到试验记录的上一页。
Ø 上一条
显示上一条的试验记录的信息。
Ø 下一条
显示下一条的试验记录的信息。
Ø 播放
自动播放全部试验记录。
Ø 记录删除
删除选中的试验记录。
Ø 全部删除
删除全部试验记录。
Ø 隐藏
该界面隐藏。
Ø 退出
界面退出。
试验报告功能的使用,是根据试验过程,自动生成试验报告;可对报告进行浏览和打印。
生成试验报告,在进入试验主画面后,做了校准,并自动或手动保存数据后,或重新保存过图形后,按主界面中的“报告生成”按钮形成试验记录。
有时不只测量局部放电量,还需要进一步找到放电源位置,就必须进行放电的定位测量,本仪器专门加入放电定位的功能。
点击桌面图标弹出局放定位软件主界面如图7.1所示。
图7.1 定位主界面
序号 | 名称 | 说明 |
1 | 标题栏 | 1) 定位运行 2) 定位方式:电-声定位、声-声定位 3) 触发源:数字触发、通道触发(CH01) 4) 系统时间显示 |
2 | 通道信息显示区 | 1) 通道标号 2) 校准标志,已校准为√,未校准为× 3) 通道类型标志,包括直通、BNC、光纤 4) 供电标志,已供电为 5) 峰值:波形采集中的最大值 6) 光标值:光标所在处的波形值 7) 频带:当前通道所选通带范围 8) Δt:与触发通道间的时间延时 9) 波形展示区:显示当前通道的采样波形 10) 波形伸缩控制条 |
3 | 电压频率显示 | 显示当前实时试验电压(需要校准才能正确测量)和试验频率 |
4 | 通道设置 | 1) 通道选择 2) 通道波形控制 3) 增益:调节当前通道的增益档位 4) 增益状态:显示当前增益的状态,包括正常、上调、下调。在上调、下调状态下点击按钮则增益调整到恰当位置 5) 自动增益:自动增益开关控制 6) 通道类型:包括直通、BNC、光纤三种 7) 供电:通道对外供电控制 8) 高通、低通:设置通道频带范围 9) 校准值、校准:通道局放量校准 |
5 | 定位3D显示 | 1) 变压器尺寸设置:设置变压器长宽高,具体见图7.2 2) 传感器位置设置:设置传感器的安装位置,具体见图7.2 3) 隐藏坐标轴:隐藏3D图形中的坐标轴 4) 正视图:复位3D图形的视角 5) 3D图形控制面板 |
6 | 主控按钮 | 局放定位功能按钮 1) 波形浏览:在数字触发的条件下进行波形浏览 2) 定位运行:进行定位捕捉 3) 定位运算:判定故障点位置并在定位3D显示中显示相应位置坐标 4) 系统设置:设置相关参数,详情参见图7.3 5) 放电阈值:CH01触发阈值设置 6) 屏幕捕获:进行迅速抓屏 7) 系统退出:退出定位系统 |
图7.2 传感器位置设定
图7.3 系统设置
将4个通道进行局放值校准,将标准校准值输入校准值编辑框中,点击[校准],当局放值与校准值相差最小时,点击[保存]进行校准保存。
在定位方式,可以调整触发电平,使通道1处于合适的触发级别(太小触发乱,太大不触发)。
按[定位运行]按钮启动运行,将触发级别调整合适,使用超声探头在变压器侧面试测几次。将测定的最大值处定位坐标原点,将通道1对应的超声探头放置到该坐标点。其他3通道探头按实际现场需求放置,并且保持它们几乎在一个平面上。将4个通道的探头坐标输入软件系统。适当调整电信号的增益使其不要超值(左侧显示的峰值pC数值前无★号),然后将触发级别调整到合适位置。在设置中设置当前油平均温度。
以上工作准备好后,点击[定位运行]按钮,等待信号触发。待触发完成后点击[定位运算],进行定位算法运算,出定位结果。
系统设有手动定位功能,单击或按下鼠标左键拉动用于指示当前位置的红色竖线,将通道1的红色竖线拉到最左端(触发开始点),将其他通道的红色竖线拉动到较大信号的左侧,则两条红色线之间的时差、距离显示在通道左侧。此时点击[定位运算]按钮,进行定位算法运算,出定位结果。
本系统采用的声-声定位方法是利用局部放电超声探测器,直接测量局部放电源产生的超声波传播到两超声波探测器之间的时延差,以其中一个探测器为基准,根据要求分别测量不同点对于基准点的时延差,系统通过对时延差的综合分析计算,给出放电源相对于基准点的坐标( X,Y,Z),完成局部放电的声-声定位。
定位方法、探测器布局方式和电-声定位方法基本相同,其不同之处是:电-声定位测量的是放电源产生的超声波传播到超声波探测器所用的时间,而声-声定位测量的是放电源产生的超声波,传播到两超声波探测器之间的时间差(用mS表示)。
具体操作:从系统设置界面上定位方式内选择声声定位,在系统设置界面中输入油平均温度。然后四个通道都接入声信号,点击[波形浏览]使用数字同步在变压器某部位试着接受,在都能收到信号的范围内布局探头位置,以上工作准备好后,点击[定位运行]按钮,等待信号触发。待触发完成后点击[定位运算],进行定位算法运算,出定位结果。
图1校准接线(利用高压套管电容传输放电信号)
图2校准接线(外接耦合电容传输放电信号)
图3局放仪试验接线(利用高压套管电容传输放电信号)
图4局放仪接线(外接耦合电容传输放电信号)