
参考标准:
注: 关于产品购买、技术维护等服务,欢迎致电! 联系我们
一、 概述
YD系列轻型油浸式试验变压器是根据机电部《试验变压器》标准在原同类产品基础上经过大量改进后而生产的。轻型交直流高压试验变压器是在YDJ系列试验变压器的基础上按照国家标准《ZBK-41006-89》经过改进后而生产的一种新型产品。本系列产品具有体积小、重量轻、结构紧凑、功能齐全、通用性强和使用方便等特点。特别适用于电力系统、工矿企业、科研部门等对各种高压电气设备、电器元件、绝缘材料进行工频或直流高压下的绝缘强度试验。是高压试验中必不可少的重要设备。
二、 产品型号含义
![]()
![]()
![]()

三、 产品结构

1—短路杆D 2—均压球 3—高压套管 4—变压器提手
5—油阀 6、7—次压输入a、x 8、9—测量端子E、F 10—变压器外壳接地端
11—高压尾X 12—高压输出A 13—高压硅堆 14—变压器油
15—铁芯 16—次低压绕组 17—测量绕组 18—二次高压绕组
YD系列轻型油浸式试验变压器采用单框芯式铁芯结构。初级绕组饶在铁芯上,高压绕组在外,这种同轴布置减少了漏磁通,因而增大了绕组间的耦合。产品的外壳制成与器芯配合较佳的八角形结构,整体外形显得美观大方。其外部结构图见图1,内部结构图见图2。
四、 工作原理
YD系列轻型油浸式试验变压器为单相变压器, 用工频220V(10kVA以上为380V)电源接入控制部分(本公司生产的试验变压器配套专用设备,详细资料请见其具体使用说明书)系列操作箱(台),经控制部分的自耦调压器调节至0~200V(或0~400V)电压输出至YD试验变压器的初级绕组,根据电磁感应原理,在试验变压器高压绕组可获得试验所需的高电压。
1、 单台交流试验变压器的工作原理图见图3
图3:单台交流高压试验变压器原理图
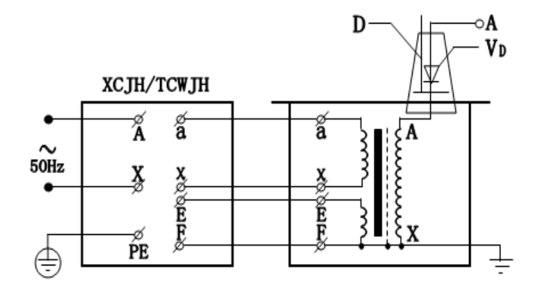
2、 单台直流试验变压器的工作原理图见图4
图中高压套管中装有高压硅堆,串接在高压回路中作半波整流,以获得直流高电压。当用一短路杆将高压硅堆短接时,可获得工频高电压,作为交流输出状态;取消短路杆时,作为直流输出状态。
图中:D—短路杆 VD—高压硅堆
图4:单台交直流试验变压器原理图
五、 使用方法
1、 YD系列试验变压器做被试品的工频耐压试验使用接线原理图见图5。
图中:R1—限流电阻 FRC—阻容分压器 RF—球间隙保护电阻
G—球间隙 CX—被试品
注:高压尾必须可靠接地
图5:被试品工频耐压试验接线图
(1) 工频耐压试验中限流电阻R1应根据试验变压器的额定容量来选择。如高压侧额定输出电流在100~300mA时,可取0.5~1Ω/V(试验电压);高压侧额定输出电流为1A以上时,可取1Ω/V(试验电压)。常用水电阻作为限流电阻,管子长度可按150kV/m考虑,管子粗细应具有足够的热容量(水阻液配制方法:用蒸馏水加入适量硫酸铜配制成各种不同的阻值)。
(2) 球间隙及保护电阻:当电压超过球间隙整定值时(一般取试验电压的110%~120%),球间隙放电,对被试品起到保护作用。球间隙保护电阻可按1Ω/V(试验电压)选取。
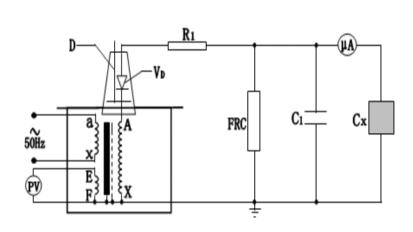
(3) 在工频耐压试验中,低电压侧测量电压(仪表电压)不是非常准确的,其原因是由于试验变压器存在着漏抗,在这个漏抗上必然存在着压降或容升,使试品上的电压低于或高于低压侧测量电压表上反映出来的电压。工频耐压试验时,被试品上的电压高于试验变压器的输出电压,也就是所谓容升现象。感应耐压试验时,试验变压器的漏抗必然存在着压降。为了准确测量被试品上所施加的电压,因此常在高压侧接入FRC阻容分压器来测量电压(见图6)。
图中:VD—高压硅堆 R1—限流电阻 C1—高压滤波电容
FRC—阻容分压器 CX—被试品 μA—带保护微安表
图6:高压直流泄露试验接线图
2、 试验变压器在做被试品的直流耐压或泄露试验时接线原理图如图6。
注:此试验应先抽出短路杆“D”,图6中所示。
泄露试验中限流电阻R1选择在额定输出电压时,输出端短路电流不超过高压硅堆的最大整流。如电压硅堆的最大整流电流为100mA时用于60kV的试验装置中,限流电阻按R1=60/0.1=600kΩ选择。限流电阻还应具有足够的容量和沿面放电距离。
高压滤波电容C1一般选择在0.01~0.1μF,当被试品的电容量很大时,C1可省略不用。
六、注意事项
工频耐压试验操作注意事项
1、 试验人员应做好分工,明确相互间联系方法。并有专门人监护现场安全及观察试品状态。
2、 被试品应先清扫干净,并绝对干燥,以免损坏被试品和试验带来的误差。
3、 对于大型试验,一般都应先进行空升试验。即不接试品时升压至试验电压,校对各种表计,调整球间隙。
4、 升压速度不能太快,并必须防止突然加压。例如调压器不在零位时突然合闸。也不能突然切断电源,一般应在调压器降至零位时拉闸。
5、 当电压升至试验电压时,开始计时,到1min后,迅速降压到1/3试验电压以下时,才能拉开电源。
6、 在升压或耐压试验过程中,如发现下列不正常情况时,应立即降压,切断电源。停止试验并查明原因:①电压表指针摆动很大;②发现绝缘烧焦或冒烟;③被试品内有不正常的声音。
7、 耐压试验前后应测量绝缘电阻,检查绝缘情况。
泄露试验的操作及注意事项
1、 试验前应先检查被试品是否停电,接地放电,一切对外连线是否擦干净。要严防将试验电压加到有人工作的部位上去。
2、 接好试验装置的接线后,应复查无误后才可加压。应特别注意检查高压设备及引线与地、与操作人员的安全距离,被试品的外壳是否可靠接地,要按安全规程中所规定的内容进行试验。
3、 对于大电容量设备应缓慢升压,防止被试品的充电电流烧坏微安表。必要时应分级加压,分别读取各级电压下微安表的稳定读数。
4、 试验过程中,应密切监视被试品、试验装置、微安表,一旦发生击穿、闪烁等异常现象应立即降压,切断电源,并查明原因,详细记录。
5、 试验完毕,降压,切断电源后应将被试品及试验装置本身充分放电。
七、相关说明
1、 按照您所进行的试验接好工作线路。试验变压器的外壳以及操作系统的外壳必须可靠接地。试验变压器高压绕组的X端(高压尾)以及测量绕组的F端必须可靠接地。
2、 做串级试验时,第二级、第三级试验变压器的低压绕组的X端,测量绕组的F端以及高压绕组的X端(高压尾)均接本级试验变压器的外壳。第二级、第三级试验变压器的外壳必须通过绝缘支架接地。
3、 接通电源前,操作系统的调压器必须调到零位后方可接通电源,合闸,开始升压。
4、 从零开始均匀旋转调压器手轮升压。升压方法有:快速升压法,即20s逐级升压法;慢速升压法,即60s逐级升压法;极慢速升压法供选用。电压从零开始按一定的升压方式和速度上升到您所需的额定试验电压的75%后,在以每秒2%额定试验电压的速度升到您所需的额定电压,并密切注意测量仪表的指示以及被试品的情况。升压过程中或试验过程中如发现测量仪表的指示及被试品情况异常,应立即降压,切断电源,查明情况。
5、 试验完毕后,应在数秒内匀速的将调压器返回至零位,然后切断电源。
6、 本产品不得超过额定参数使用。除试验必须外,决不允许全电压通电或断电。
7、 使用本产品做高压试验时,出熟悉本说明书外,还必须严格执行国家有关标准和操作规程。可参照GB311-83《高压输变设备的绝缘配合,高压试验技术》;《电气设备预防性试验规程》等。
八、 装箱清单
1、 试验变压器 1台
2、 产品说明书 1份
3、 出厂试验报告 1份
4、 产品合格证/保修卡 1份
九、 售后服务
本公司产品保修一年,终身维修,一年内产品质量出现问题,请及时与我公司联系,公司负责免费维修,超过一年,按成本收取少量费用。