
参考标准:
注: 关于产品购买、技术维护等服务,欢迎致电! 联系我们
尊敬的顾客
感谢您使用本公司产品。在您初次使用该仪器前,请您详细地阅读本使用说明书,将可帮助您熟练地使用本仪器。
我们的宗旨是不断地改进和完善公司的产品,因此您所使用的仪器可能与使用说明书有少许的差别。若有改动,我们不一定能通知到您,敬请谅解!如有疑问,请与公司售后服务部联络,我们定会满足您的要求。
由于输入输出端子、测试柱等均有可能带电压,您在插拔测试线、电源插座时,会产生电火花,小心电击,避免触电危险,注意人身安全!
u 慎重保证
本公司生产的产品,在发货之日起三个月内,如产品出现缺陷,实行包换。一年(含一年)内如产品出现缺陷,实行免费维修。一年以上如产品出现缺陷,实行有偿终身维修。合同约定的除外。
u 安全要求
请阅读下列安全注意事项,以免人身伤害,并防止本产品或与其相连接的任何其它产品受到损坏。为了避免可能发生的危险,本产品只可在规定的范围内使用。
只有合格的技术人员才可执行维修。
—防止火灾或人身伤害
使用适当的电源线。只可使用本产品专用、并且符合本产品规格的电源线。
正确地连接和断开。当测试导线与带电端子连接时,请勿随意连接或断开测试导线。
产品接地。本产品除通过电源线接地导线接地外,产品外壳的接地柱必须接地。为了防止电击,接地导体必须与地面相连。在与本产品输入或输出终端连接前,应确保本产品已正确接地。
注意所有终端的额定值。为了防止火灾或电击危险,请注意本产品的所有额定值和标记。在对本产品进行连接之前,请阅读本产品使用说明书,以便进一步了解有关额定值的信息。
请勿在无仪器盖板时操作。如盖板或面板已卸下,请勿操作本产品。
使用适当的保险丝。只可使用符合本产品规定类型和额定值的保险丝。
避免接触裸露电路和带电金属。产品通电时,请勿触摸裸露的接点和部位。
在有可疑的故障时,请勿操作。如怀疑本产品有损坏,请本公司维修人员进行检查,切勿继续操作。
请勿在潮湿环境下操作。
请勿在易爆环境中操作。
保持产品表面清洁和干燥。
-安全术语
警告:警告字句指出可能造成人身伤亡的状况或做法。
小心:小心字句指出可能造成本产品或其它财产损坏的状况或做法。
目 录
1.为保护设备及人身安全,试验前请详细阅读使用说明书,严格按照说明书要求操作。
2.参加试验人员必须做好实验前的准备工作,包括了解被试品、试验设备、试验标准、试验方法、测量方法等。
3.使用本仪器的工作人员必须是具有“高压试验上岗证”的专业人员。
4.若高压屏蔽微安表上显示“LOW BAT”时,请更换9V电池,避免测量误差。
5.临时的现场试验,应设置明显的“高压危险、请勿靠近”标志的围栏。固定的高压试验区,还应装有必要的联锁装置。
6.该装置在试验过程中,操作人员应预留足够安全操作距离(空气中每米小于20KV)。
7.试验前请检查仪器主机、倍压筒和试品的接地线是否接好,试验回路接地线应按本说明书要求一点接地。
8.做容性负载试验时,一定要接限流电阻。
9.对大电容试品的放电应经100Ω/V放电电阻棒对试品放电,放电时不能将放电棒立即接触试品,应先将放电棒逐渐接近试品,至一定距离空气间隙开始游离放电有嘶嘶声。当无声音时可用放电棒放电,最后直接接上地线放电。
10.试验完毕必须将接地线挂至高压输出端方可拆除高压引线。
11.当倍压筒绝缘筒表面存在污渍时,请用干布擦净。运输或不使用倍压筒时,请将其放入箱内。
12.该装置工作和存放场所应无严重影响绝缘的气体、蒸汽、化学性尘埃及其它爆炸性和侵蚀性介质。
13.请勿将本仪器放置于不平稳的平台或桌面上以防止仪器跌落受损。
14.如果仪器长期不用,请放在干燥通风处保存,并一个月通电一次。
直流高压发生器是根据中国最新电力行业标准DL/T848.1-2004《高压试验装置通用技术条件 第1部分:直流高压发生器》设计制造的新一代便携式高压检测仪器,专门用来检测电力器件的电气绝缘强度和泄漏电流。
本仪器采用高频倍压电路,应用最新PWM脉冲宽度调制技术和电压电流双闭环反馈技术,提高电源调整率和负载调整率,使电压稳定度高,纹波小。使用进口大功率IGBT器件及其驱动技术,消除开关干扰,实现直流高压发生器的高品质和便携性。选用进口高频高压整流二极管,使倍压筒更加小巧轻便,提升整机效率。根据EMI电磁干扰和EMC电磁兼容理论,采用屏蔽、隔离和接地等措施,提升整机安全性,并能承受额定电压放电而不损坏。仪器保护功能齐全,具有零位保护、过压保护、过流保护、击穿保护,保护电路选用纳秒级专用传感器,动作迅速可靠,有效保障人身及设备安全。过压整定选用数字拨码开关,操作简单并具有较高的整定精度。增设智能高精度0.75U功能按钮,利于氧化锌避雷器的测试。
本仪器选用一体式设计方案:倍压筒和主机放置在一个机箱内,结合最新科技、选用最新器件,实现体积小、功率大、重量轻、操作方便、安全可靠、电源输出质量高等优点,是高压测试行业的理想测试仪器。
本仪器适用于电力、铁路、化工、工矿、冶金、钢铁等部门对氧化锌避雷器、磁吹避雷器、电力电缆、变压器、发电机等设备进行直流耐压试验和泄漏试验,亦可作静电吸尘、喷涂等电源。
序号 | 标准名称 |
1 | DL/T848.1-2004 高压试验装置通用技术条件 第1部分:直流高压发生器 |
2 | DL/T596-2005 电力设备预防性试验规程 |
3 | GB11032-2010 交流无间隙金属氧化物避雷器 |
4 | GB/T 16927.1-2011 高电压试验技术 第1部分:一般定义及试验要求 |
5 | DL/T474.2-2006 现场绝缘实验实施导则:直流高电压试验 |
6 | GB/T.311-2012 高压输变电设备的绝缘配合 |
1.输出电压稳定:采用高频倍压电路,应用最新PWM脉冲宽度调制技术和电压电流双闭环反馈技术,提高电源调整率和负载调整率,使电压稳定度高,纹波小。全量程平滑调压,输出电压精度高。主机电压表直接显示加载在负载上的电压值,无需外加分压器,接线操作简单。电压分辨率0.1kV,电流分辨率1uA。
2.保护全面:保护功能齐全,具有零位保护、过压保护、过流保护、击穿保护,保护电路选用纳秒级专用传感器,动作迅速可靠,有效保障人身及设备安全。
3.0.75U功能:增设智能高精度0.75U功能一键按钮,按下此按钮,电压电流自动跳转至0.75U状态,利于氧化锌避雷器的测试。
4.零起升压:升压电位器零起升压,采用进口多圈电位器,升压过程平稳,调节精度高。
5.过压设定:过压整定选用数字拨码开关,操作简单,并具有较高的整定精度。
6.一体式设计:选用一体式设计方案,主机和倍压筒放置在一个机箱内。选用进口高频高压整流二极管,使倍压筒体积小巧,提升整机效率,便于携带。
7.性能可靠:关键器件选用高性能进口元件,倍压筒外表涂特种绝缘材料,电气性能好、防潮能力强、无泄漏。
8.操作简单:仪器界面各功能按键,布局合理,指示清晰,易学易用。
技术参数规格 | 120/2 | 120/3 | 120/5 |
额定电压(kV) | 120 | 120 | 120 |
额定电流(mA) | 2 | 3 | 5 |
额定功率(W) | 240 | 360 | 600 |
整机质量(kg) | 10 | ||
整机体积(mm³) | 565*390*190 | ||
倍压筒高度(mm) | 535 | ||
输出电压精度 | ±(1.0%读数±2个字) | ||
输出电流精度 | ±(1.0%读数±2个字) | ||
纹波系数 | ≤0.5% | ||
工作方式 | 间断使用,额定负载30分钟 | ||
过载能力 | 空载电压可超出额定电压10%使用10分钟 最大充电电流为1.25倍额定电流 | ||
电源 | AC220V±10% 50HZ | ||
工作环境 | 温度: -10-40℃ | ||
相对湿度:室温为25℃时不大于85%(无凝露) | |||
海拔高度:1500米以下 | |||
注:因产品不断更新,不另行通知,以实样为准,本公司保留解释权。
1.6.1 主机面板如图1.1所示,图中标注如下:

图1.1 主机面板结构图
1.电源插座 | 2.数显电流表 | 3.高压断按钮(红灯) |
4.电源开关 | 5.电压调节电位器 | 6.0.75UDC1mA按钮(黄灯) |
7.高压通按钮(绿灯) | 8.数显电压表 | 9.接地端子 |
10.中频输出接口 | 11.过压整定拨盘 |

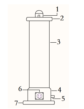
图1.2 倍压筒结构图
1.高压引出接线柱 | 2.倍压筒顶盖 | 3.绝缘倍压筒 |
4.倍压筒底座 | 5.接地端子 | 6.中频连接端子 |
7.倍压筒底盖 |

接地端子:主机接地端子与倍压筒接地端子及试品接地联接为一点后再与接地网相连。
数显电流表:数字显示直流高压输出电流。
高压断按钮(红灯):红灯亮,表示电源已接通及高压断开。在绿灯亮状态下按下红色按钮,绿灯灭红灯亮,高压回路切断。
电源开关:向上按,电源接通,红灯亮,反之为关断。
电压调节电位器:该电位器为多圈电位器。顺时针旋转为升压,反之为降压。此电位器具备控制电子零位保护功能,因此升压前必须先回零。
0.75UDC1mA按钮(黄灯):此功能是专门为氧化锌避雷器快速测量0.75UDC1mA用。绿灯亮时有效,按下黄色按钮后黄灯亮,输出高压降至原来的75%,并保持此状态。按下红色按钮,黄灯、绿灯均灭,高压切断并退出0.75倍状态。
高压通按钮(绿灯):高压接通按钮、高压指示绿灯亮。在红灯亮的状态下,按下绿色按钮后,绿灯亮红灯灭,表示高压回路接通,此时可升压。注意此按钮须在电压调节电位器回零状态下才有效。如按下绿色按钮,红绿灯均亮,但松开按钮绿灯灭红灯亮,表示机内保护电路已工作。
数显电压表:数字显示直流高压输出电压。
电源插座:将随机配置的电源线与电源输入插座相联。(交流220V±10%,插座内自带3A保险管。)
过压整定拨盘:用于设定过电压保护值。拨盘开关所显示单位为kV ,设定值为试验电压1.1倍。
中频输出接口:用于主机与倍压筒部分的联接。
高压引出接线柱:连接微安表或限流电阻。
倍压筒顶盖:绝缘和密封的作用。
绝缘倍压筒:起绝缘、支撑、防潮。
倍压筒底座:起支撑固定的作用。
接地端子:倍压筒接地端子与被试品接地连接为一点后再与接地网相连。
中频连接端子:用于主机与倍压筒部分的联接。
倍压筒底盖:起固定、密封的作用。
直流高压发生器是提供高压直流源的仪器,使用该仪器前必须先把仪器可靠接地。使用直流高压发生器的工作人员,必须是具有“高压试验上岗证”的专业人员。使用直流高压发生器请用户必须按《电力安全工作规程》的规定,并在工作电源进入试验器前加装两个明显断开点。当更换试品和接线时,应先将两个电源断开点明显断开,同时现场必须保证至少有三个工作人员,这样才能有效的保证使用人员的安全。
主机上的指示灯、开关、表头、旋钮等已标清楚,阅读操作说明书时请参照主机面板功能说明。
倍压筒底座侧面的四芯航插座为连接主机的专用插座,侧面的接地端子为连接地线用。
附带的高压屏蔽电流表为数显微安表,表顶端上的插孔为连接被试品的线插孔,同时也作为电源控制开关,不用时请拔掉插头。更换电池时请将表头两端的螺丝下掉后,取下后盖,换好电池后请将后盖用螺丝旋紧。
第一步:使用前先检查仪器的完好性,各连接线不应有断路和短路,设备无破裂等。
第二步:将主机、倍压筒放置到合适位置,分别联接好电源线、专用四芯连接线和接地线。主机接地线、倍压筒接地线以及放电棒的接地线均应单独接到被试品的地线上(即一点接地)。严禁各接地线相互串联,应使用仪器配备的专用接地线。
第三步:将电源开关放在关断位置并将电压调节电位器逆时针旋转至零位,过电压保护整定值一般为试验电压的1.1倍。
第四步:在打开控制箱面板上的电源开关前一定要确认直流高压发生器接的是220V交流电源,仔细检查接线是否正确,同时也要检查高压放电棒的接地线是否可靠。
第一步:连接好单相AC220V电源,接通电源开关,此时红灯亮,表示电源接通。
第二步:按下绿色按钮,则绿灯亮,表示高压接通。
第三步:顺时针方向平缓调节电压调节电位器,输出端即从零开始升压,主机电压表显示的值为所升电压值,缓慢升压至接近过压保护整定值时后,记录电压表读数,并验证记录值是否为电压整定值的1.1倍,并检查主机及高压输出线有无异常现象及声响。
第四步:降压,将调压电位器回零后,按红色按钮,切断高压输出并关闭电源开关。
在完成3.2 使用前准备和3.3 空载升压试验并验证电压保护整定值,确认仪器正常后,即可对试品进行泄露及直流耐压试验。
第一步:在做负载试验前,将高压屏蔽微安表安装在倍压筒上的高压输出端,并将配套的专用高压线分别接到微安表和被试品上。
第二步:检查主机、放电棒、倍压筒、试品连接线、接地线连接是否正确,接地线连接是否可靠,检查高压安全距离是否符合要求后,方可进行高压试验。
第三步:确认仪器无异常后,接通AC220V电源开关,此时红灯亮,表示电源接通,按下绿色按钮,绿灯亮,表示高压通,可进行升压试验。
第四步:顺时针方向平缓调节调压电位器,输出端即从零开始升压,升压速度以每秒3-5kV上升至试验电压为宜。对于大电容试品升压时则需缓慢升压,且应在高压回路中串接限流电阻,同时监视电流表表头数值不能超过仪器额定电流值。对小电容试品如氧化锌避雷器、磁吹避雷器等缓缓升压至所需的电压(电流)的95%,再缓慢升至所需的电压(电流)。然后从数显表上读出电压(电流)值。如需对氧化锌避雷器进行0.75UDC1mA测量时,先升至UDC1mA电压值,然后按下0.75UDC1mA按钮(黄色),此时电压即降至原来的75%,并保持此状态,此时可读取电流。测量完毕后,降压,将调压电位器回零后,按下红色按钮切断高压输出。若需再次升压,按下绿色按钮即可。
第五步:试验完毕后,降压,将调压电位器回零,按下红色按钮,切断高压并关闭电源开关。
第六步:对于氧化锌避雷器等小电容被试品,一般通过倍压通内部分压电阻放电。对电缆等大电容被试品一般要待被试品电压自放电至试验电压的20%以下,再通过配套的放电棒进行放电。待被试品充分放电后,将地线挂至高压输出端,才允许进行高压引线的拆除和更换接线工作。
使用过程中发现红灯亮、绿灯灭,表示有保护动作,高压断开,此时可按下列步骤操作:
1.将调压电位器回至零位;
2.关闭电源开关;
3.等待一分钟后,待仪器内部低压电容器充分放电后,再次打开电源开关,重新进行空载试验,并查明情况后,再次对被试品升压试验。
注意:
1.做任何试验时,一定要按照3.2 使用前准备→3.3 空载升压试验并验证电压保护整定值→3.4 泄露及直流耐压试验流程操作。
2.做容性负载试验时,一定要接限流电阻。
3.必要时用外接高压分压器对比主机上的电压。
4.任何针对高压输出端的拆除、更换工作,均应严格按照第六步操作进行。
一般测量时,当接好线后,先把联接试品的线悬空,升到试验电压后读取空试时的电晕和杂散电流I,然后接上试品升到试验电压读取总电流
,试品泄漏电流:
。
注意:
、
、
为控制箱数显电流表读数。
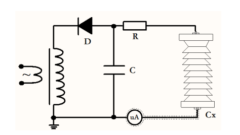
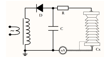
当需要精确测量被试品泄漏电流时,则应在高压侧串入高压微安表,如图3.1所示。
图3.1 微安表接入被试品CX高压侧接线图
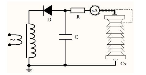
微安表必须有金属屏蔽,应采用屏蔽线与被试品联接。高压引线的屏蔽引出应与仪表端的屏蔽紧密联接。如果被试品表面有污秽,要排除被试品表面泄漏电流的影响,可在被试品高电位端用裸金属软线紧密绕几圈后与高压引线的屏蔽相联接,如图3.2所示。
图3.2 排除被试品Cx表面影响连接示意图
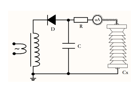
对氧化锌、磁吹避雷器等被试品接地端可拆开的情况下,也可采用在被试品的底部(地电位侧)串入电流表进行测量的方式,如图3.3所示。 当要排除被试品表面泄漏电流的影响,可用软的裸铜线在试品地电位端绕上几圈并与屏蔽线的屏蔽相联接,如图3.4所示。
图3.3 微安表接入被试品Cx底部接线图
现 象 | 原 因 | 处 理 | |
1 | 电源开关接通后红灯不亮 | 1.电源线开路 2.电源保险管熔断 | 1.更换电源线 2.更换保险管 |
2 | 按绿色按钮绿灯不亮 | 调压电位器未回零。 | 逆时针调节电位器回零 |
3 | 按绿色按钮绿灯亮,一升压绿灯灭,红灯亮 | 1.倍压筒高压输出端对地短路 2.被试品对地短路 3.过压保护设置不对 | 1.检查输出高压线 2.检查被试品 3.重置过压保护值 |
4 | 升压过程中绿灯灭,红灯亮。 | 被试品放电或击穿,过压或过流保护动作。 | 1.检查被试品 2.重新设置整定值 |
5 | 微安表接好后,无显示 | 1.微安表内部电池电量耗尽 2.微安表连接线插头损坏 | 1.更换微安表内部电池 2.检查微安表连接线插头 |
6 | 微安表示数跳动较大 | 微安表电池电量不足 | 更换微安表内部电池 |
注:若以上方法还不能排除故障,请与厂家联系。
序号 | 名称 | 数量 | 单位 |
1 | 主机 | 1 | 台 |
2 | 高压倍压筒 | 1 | 个 |
3 | 微安表 | 1 | 个 |
4 | 放电棒 | 1 | 根 |
5 | 1 | 个 | |
6 | 高压线 | 1 | 根 |
7 | 电源线 | 1 | 根 |
8 | 四芯屏蔽线 | 1 | 根 |
9 | 接地线 | 1 | 根 |
10 | 保险管 | 3 | 个 |
11 | 检验报告 | 1 | 份 |
12 | 合格证 | 1 | 份 |
13 | 说明书 | 1 | 份 |